User Guide
Table Of Contents

Professional Multimedia Switch Crestron C2N-MMS
coax cables of longer lengths (50 to 100 feet). The C2N-MMS automatically detects
the presence of video and RGB signals by monitoring activity on the luminance
(COMP/Y) connection of each video input and the horizontal sync line of each RGB
input. For laptops that require the presence of a monitor to enable its video output,
the C2N-MMS has a selectable feature (DDC) that simulates the presence of a
generic high-resolution monitor so RGB sources (such as a laptop computer) will
transmit a signal even when a RGB device is not connected to the C2N-MMS output.
NOTE: Selectable sync impedance and the DDC feature are only available on
C2N-MMS devices with the part number 6003312 on the manufacturing label
located on the bottom of the unit. Units labeled with part number 6001581 do not
have this feature.
RGB signal switching features transient blanking to avoid visible transients when
switching between RGB sources operating at different sync frequencies. Transient
blanking disables the output signal before the sync is switched to another source.
Transient-free switching between RGB sources is completed in less than 1/10 of a
second.
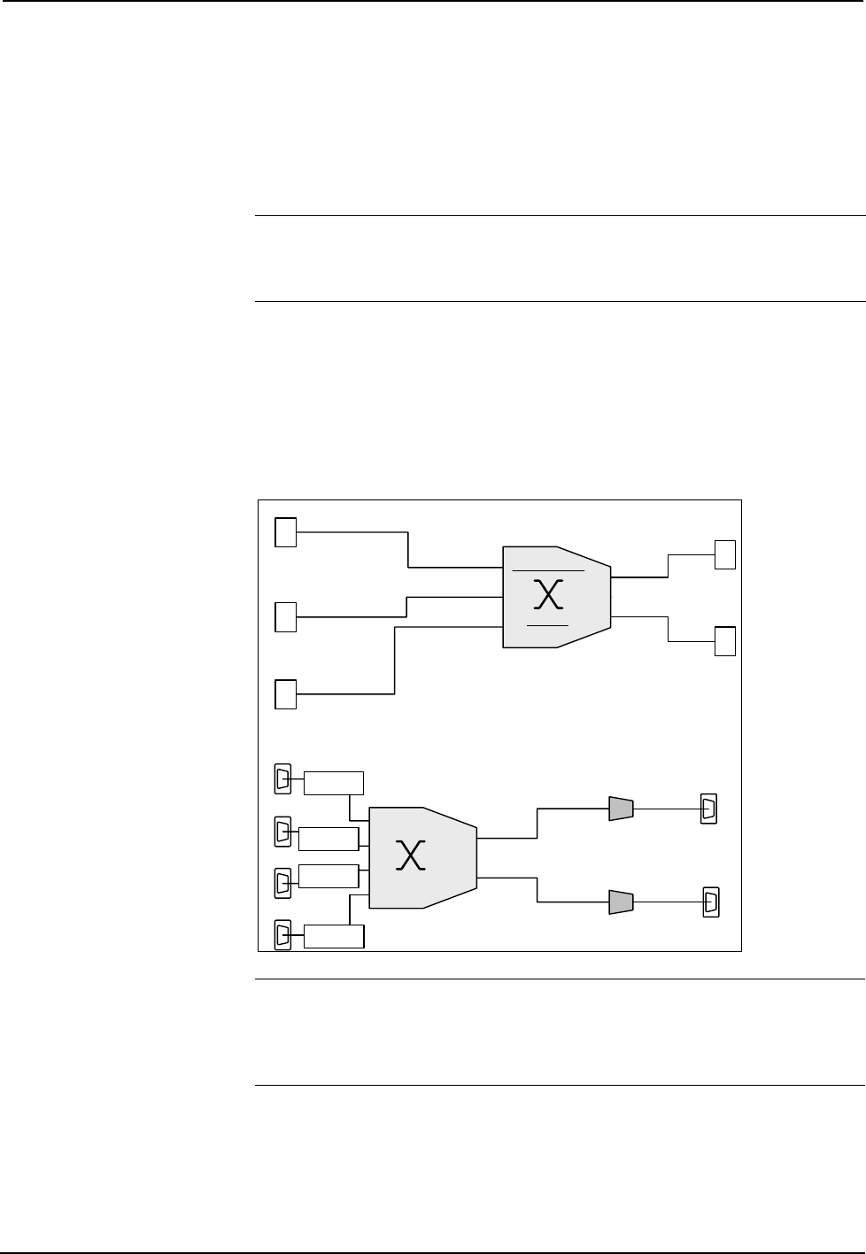
The following diagram illustrates the functional capabilities of the C2N-MMS.
Functional Diagram
4 X 2 SWITCH
400MHz
Cable
Compensation
Cable
Compensation
Video 1 IN
Video 2 IN
Video 3 IN
RGB 1 IN
RGB 2 IN
RGB 3 IN
RGB 4 IN
RGB 1 OUT
RGB 2 OUT
3 X 2 SWITCH
100MHz
Video 1 OUT
Video 2 OUT
DIP
Switches
DIP
Switches
DIP
Switches
DIP
Switches
NOTE: DIP switches for selecting input impedance and the DDC feature are only
available on C2N-MMS devices with the part number 6003312 on the manufacturing
label located on the bottom of the unit. Units labeled with part number 6001581 do
not have this feature. Refer to “Configuring the RGB Input Ports” on page 11 for
more information.
When used in conjunction with a Crestron MP2E Multimedia Processor or other
2-Series Control Processors, the C2N-MMS provides a variety of switching
solutions. The following diagram illustrates a sample application using the
C2N-MMS with a Crestron MP2E Multimedia Processor.
2 • Professional Multimedia Switch: C2N-MMS Operations Guide – DOC. 6374