Installation guide
Table Of Contents

Isys
®
5.7” Wall Mount Touchpanel Crestron TPS-6L
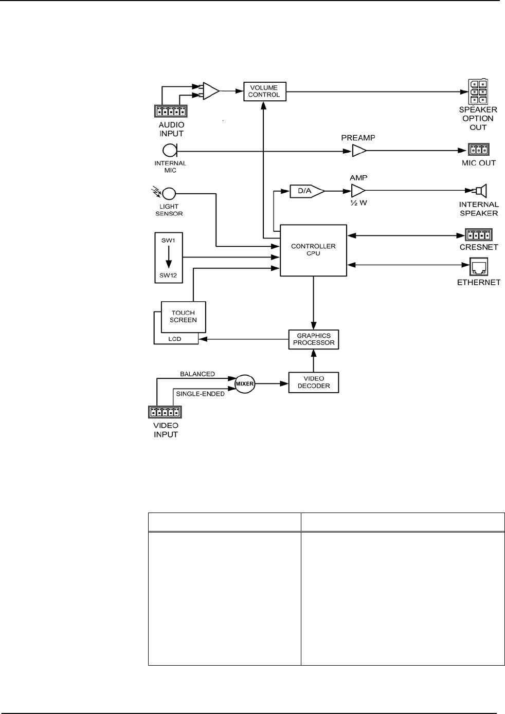
Internal Block Diagram
The following diagram represents the basic operation of the TPS-6L.
TPS-6L Internal Block Diagram
Specifications
Specifications for the TPS-6L are listed in the following table.
TPS-6L Specifications
SPECIFICATION DETAILS
Touchscreen Display
Display Type TFT Active matrix color LCD
Size 5.7 inch (14.48 cm) diagonal
Aspect Ratio 4:3 VGA
Resolution 640 x 480 pixels
Brightness 400 nits
Contrast 400:1
Color Depth 18-bit, 256 k colors
Illumination Backlit fluorescent
(Continued on following page)
4 • Isys
®
5.7” Wall Mount Touchpanel: TPS-6L Operations & Installation Guide - DOC. 6630A










