Tractor And Rotary Mower Operator's Manual
Manuals
Brands
Cub Cadet Manuals
Lawn Mower
108
31
32
33
34
35
36
37
38
39
40
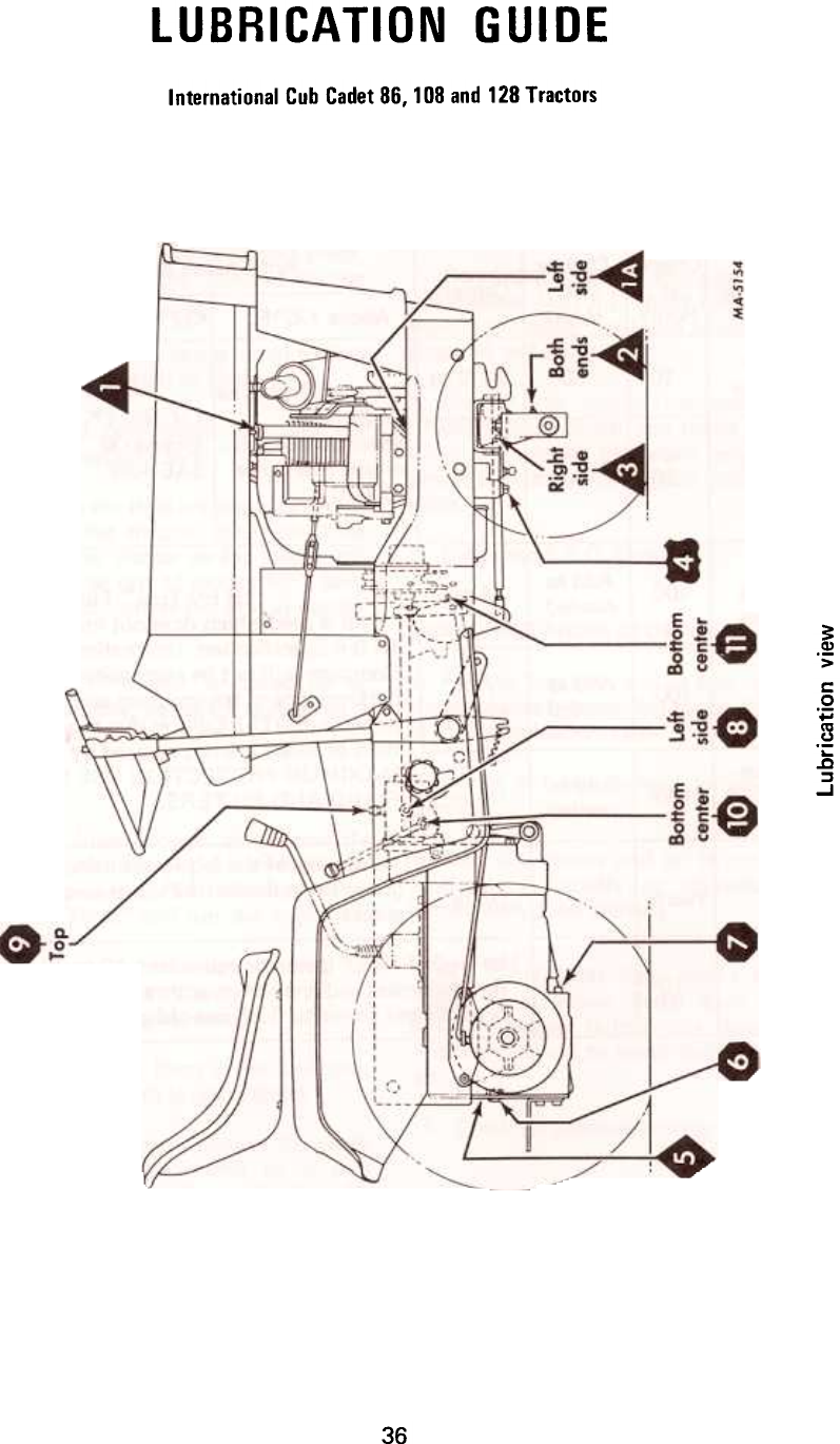
International
Cub
Cadet
86, 108
and
128
Tractors
36
LUBRICATION
GUIDE
~
Q)
';
c
0
';:;
~
'~
..c
~
-J
1
...
...
36
37
38
39
40
...
...
68