Installation Guide

GROSS LOAD CAPACITY WHEN USED AS A WEIGHT CARRYING HITCH: LBS. TRAILER WEIGHT & LBS. TONGUE WEIGHT.
GROSS LOAD CAPACITY WHEN USED AS A WEIGHT DISTRIBUTION HITCH: LBS. TRAILER WEIGHT & LBS. TONGUE WEIGHT
***DO NOT EXCEED VEHICLE MANUFACTURER'S RECOMMENDED TOWING CAPACITY.***
HITCH WEIGHT: LBS.
INSTALL TIME:
MINUTES
INSTALL NOTES:
INSTALLATION STEPS
PERIODICALLY CHECK THIS RECEIVER HITCH TO ENSURE THAT ALL FASTENERS
ARE TIGHT AND THAT ALL STRUCTURAL COMPONENTS ARE SOUND.
Curt Manufacturing Inc., warrants this product to be free of defects in material and/or workmanship at the time of retail purchase by the original purchaser. If the product is found to be defective,
Curt Manufacturing Inc., may repair or replace the product, at their option, when the product is returned, prepaid, with proof of purchase. Alteration to, misuse of, or improper installation of
this product voids the warranty. Curt Manufacturing Inc.'s liability is limited to repair or replacement of products found to be defective, and specifically excludes liability for incidental or
consequential loss or damage.
3500
350
34
30
5000
500
13334 DODGE NITRO, NITRO SLT, NITRO R/T
8/5/2020
Parts List
DESCRIPTION
PART NUMBER
QTY
ITEM
HHCS,M12x1.75,45,CL10.910-1045961
WASHER,S-CON,1/2,YZ30-0014962
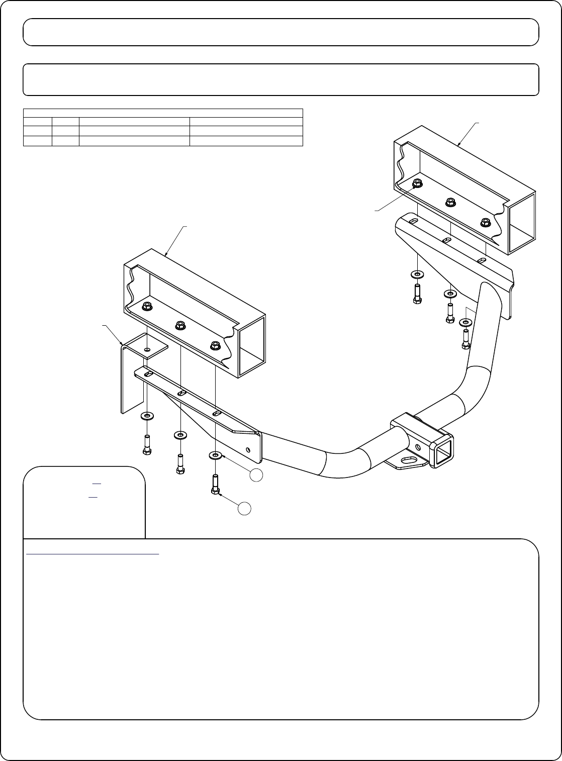
1) Remove the tow hook from bottom of driver side vehicle frame. Discard the attaching bolts and tow hook.
Remove the bolt holding gas filler neck protector bracket to frame.
2) Raise hitch into position with gas filler neck protector bracket between hitch and frame and align holes in
hitch to the holes in frame as shown.
3) Fasten hitch to frame with M12 bolts and 1/2" connical toothed washers. Finger tight only.
4) Torque all M12 bolts to 79 ft.-lbs.
5) Return tow hook to customer.
-NO DRILLING REQUIRED
PASSENGER SIDE
FRAME RAIL
DRIVER SIDE
FRAME RAIL
GAS FILLER NECK
PROTECTOR BRACKET
EXISTING WELD
NUTS (ALL)
2
1