Specifications
Table Of Contents
- Features
- Logic Block Diagram
- Contents
- PSoC Functional Overview
- Getting Started
- Development Tools
- Designing with PSoC Designer
- Document Conventions
- Pinouts
- Registers
- Electrical Specifications
- Packaging Information
- Development Tool Selection
- Ordering Information
- Document History Page
- Sales, Solutions, and Legal Information
CY8C24223A, CY8C24423A
Document Number: 38-12029 Rev. *L Page 28 of 34
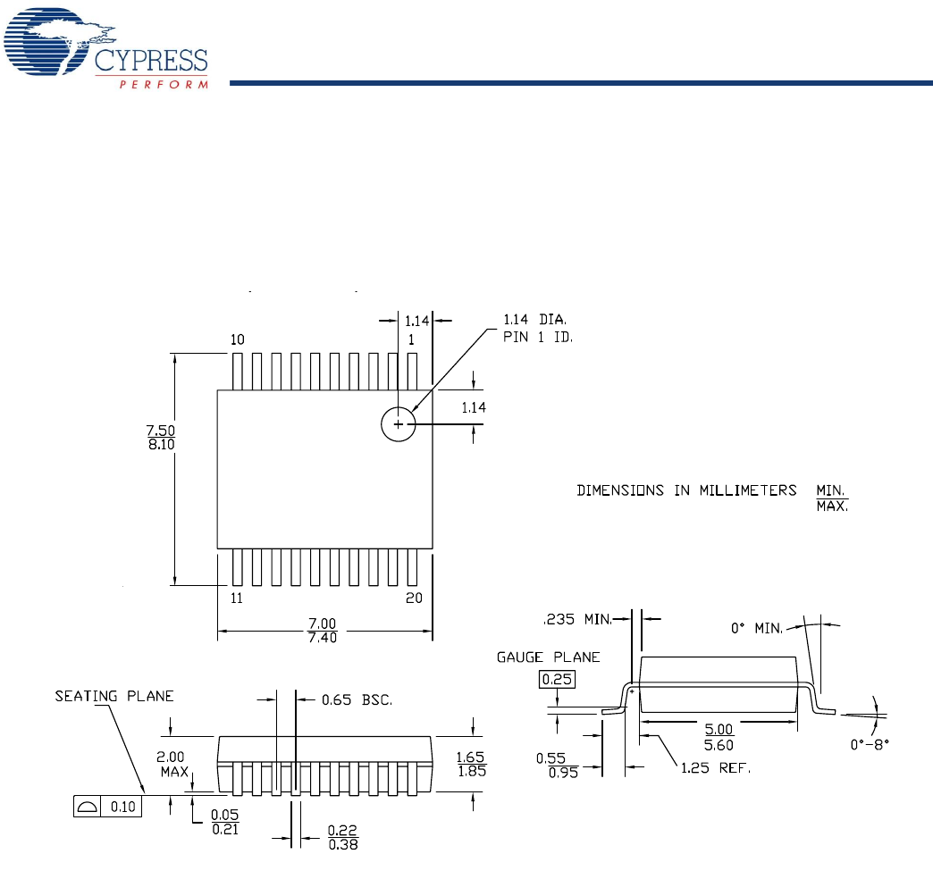
Packaging Information
This section illustrates the packaging specifications for the automotive CY8C24x23A PSoC device, along with the thermal impedances
for each package and the typical package capacitance on crystal pins.
Important Note Emulation tools may require a larger area on the target PCB than the chip’s footprint. For a detailed description of
the emulation tools’ dimensions, refer to the emulator pod drawings at http://www.cypress.com.
Figure 15. 20-Pin (210-Mil) SSOP
51-85077 *E
