Installation guide
Manuals
Brands
Dacor Manuals
Other
HPCT466GSNG
11
12
13
14
15
16
17
18
19
20
13
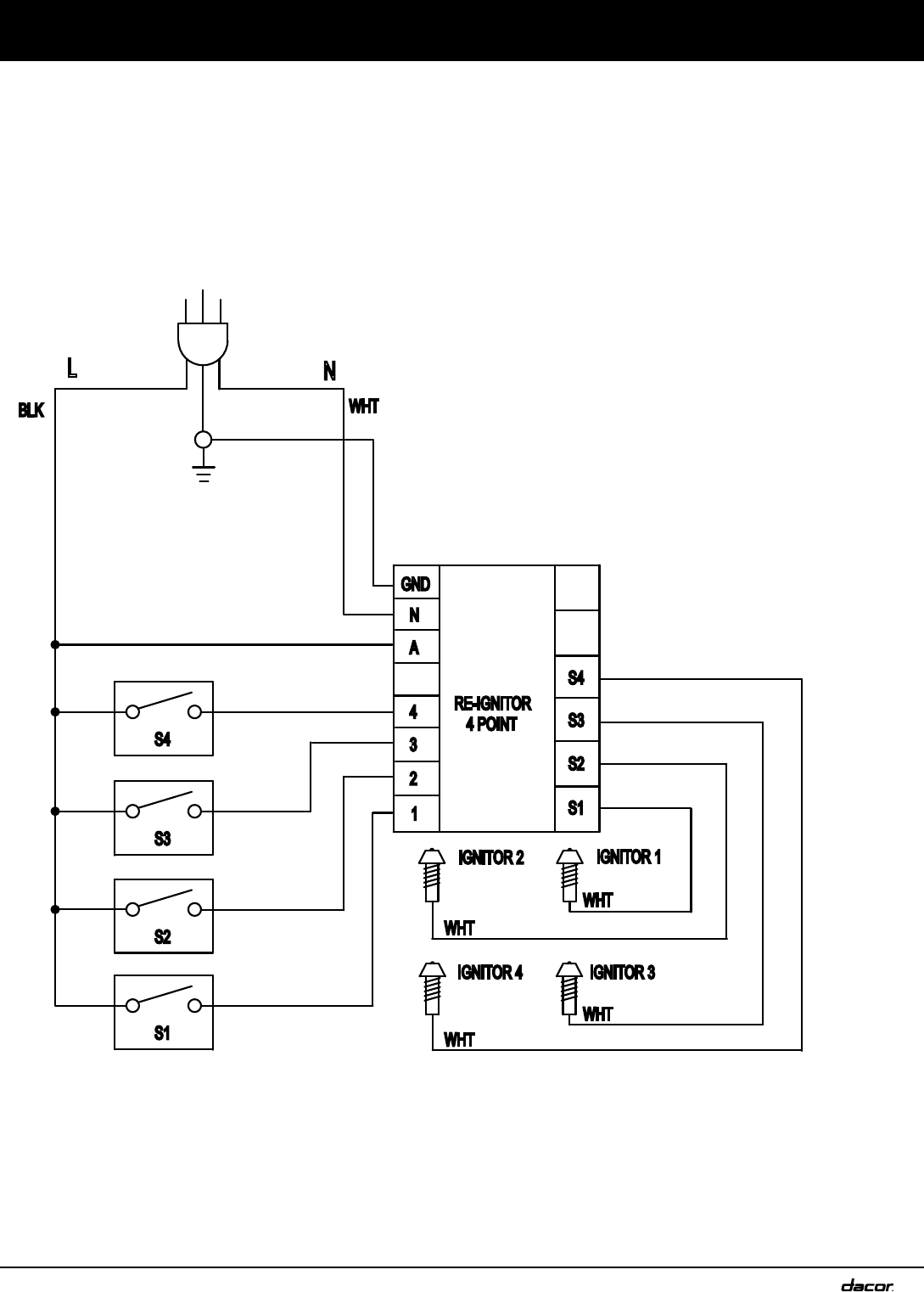
W
iring Diagrams
AFTER SERVICING
VERIFY PROPER OPERA
TION
120V
, 60Hz
POWER SUPPL
Y
CAUSE IMPROPER
AND DANGEROUS OPERA
TION.
WHEN SER
VICING CONTROLS. WIRING ERRORS CAN
CAUTION: LABEL
ALL
WIRES PRIOR T
O DISCONNECTION
WIRING DIAGRAM
DTCT304G
1
...
...
13
14
15
16
17
...
...
20