
15
Wiring Diagrams
AFTER SERVICING
VERIFY PROPER OPERATION
120V, 60Hz
POWER SUPPLY
CAUSE IMPROPER AND DANGEROUS OPERATION.
WHEN SERVICING CONTROLS. WIRING ERRORS CAN
CAUTION: LABEL ALL WIRES PRIOR TO DISCONNECTION
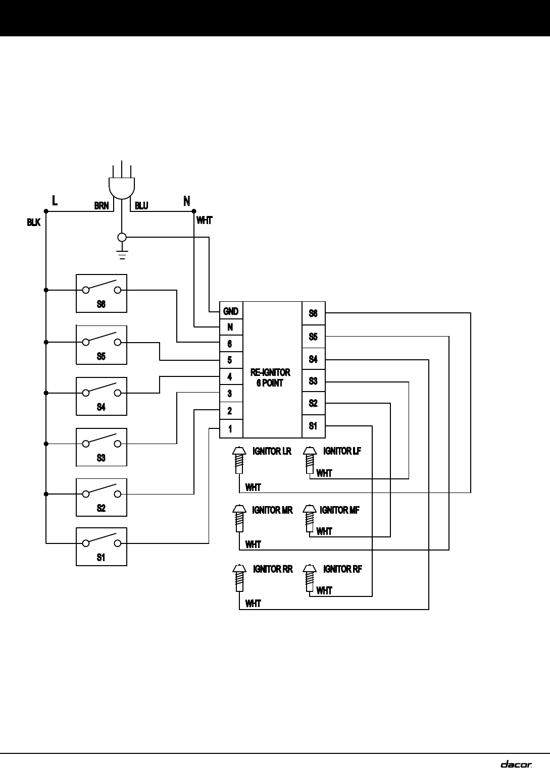
WIRING DIAGRAM
DTCT466G
DTCT466G, HPCT466G