User manual

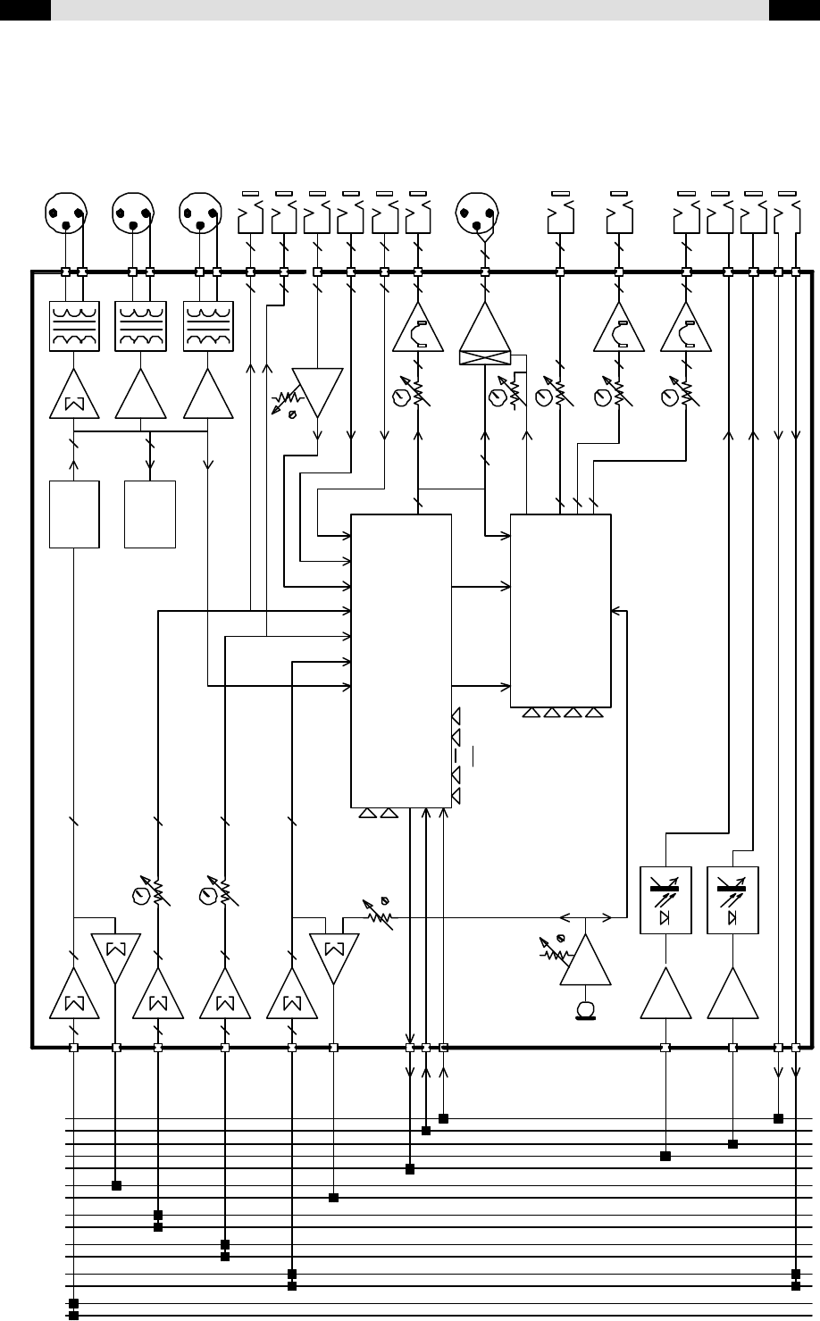
34 BCS58 Master blockdiagram DATEQ BCS50 user manual EN
Blockdiagram BCS58 master
2
2
2
2
2
2
2
2
2
2 2
2
2
2
2
2
2 2
2
2
2
2
2
2
2
2
2
2
2
2
2
2
2
2
2
2
2
2
2
2
2
2
ANNOUNCER/GUEST
SELECTIONLOGIC
CR/PFL/METERS
SELECTIONLOGIC
INSRT
LAMP
OVL-
AUD
PGM
SP1
TALK
PGM/AIR
+PFL
PGM/AIR
GAIN
PFL
CR
STUDIO
ANN
GUEST
GUEST_PGM/TB
AIR
PFL-TB
AUX
CR
AUD
PGM
PFL
AUX
AUD
AIR
SP1
SP2
PGM
AIR
CR
PFL-RES
TB
PFL
AUX
AUD
PGM
MR-PFL
DJ-PFL
PGM-L
PFLRESET
AUD-R
ONAIR2
PGM-R
AUD-L
DJ-PFL
PFL-L
PGM-RTN
PFL-RTN
AUX-R
ONAIR1
PFL-R
AUX-L
MR-PFL
SPARE2
SPARE1
RIGHT
LEFT
MONO
TBK-INP
ON-AIR2
ON-AIR1
AUX
AUD
AIR
PHONES
CR-OUT
GUEST
ANNOUNCER
STUDIO
BCS50MASTER
R
L
12
3
12
3
12
3
12
3










