User manual
Table Of Contents
- Dell PowerVault MD Series Fibre Channel Storage Array Configuring Fibre Channel With Dell MD3600f/3620f/MD3660f Series Storage Arrays
- Configuring Fibre Channel With Dell MD3600f/3620f/MD3660f Series Storage Arrays

for Remote Replication traffic. No other data traffic is allowed on that port until the Remote Replication feature is
deactivated. A dedicated zone on each Fibre Channel switch is also required.
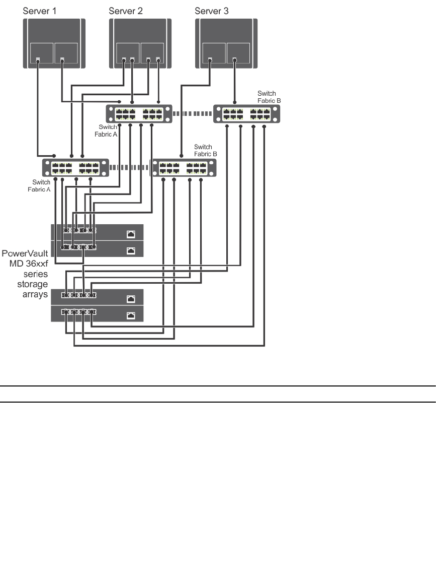
Figure 9. Remote Replication Cabling
Switch Fabric A Switch Fabric B
Zone_1_Server_1_HBA_0 Zone_5_Server_1_HBA_1
Server-1-HBA_0 Server1-HBA_1
Array-1_Ctrl-0-1 Array-1_Ctrl-0-0
Array-1_Ctrl-1-0 Array-1_Ctrl-1-1
Zone_2_Server_2_HBA_0_0 Zone_6_Server_2_HBA_0_1
Server-2-HBA_0_0 Server2-HBA_0_1
Array-1_Ctrl-0-1 Array-1_Ctrl-0-2
Array-1_Ctrl-1-2 Array-1_Ctrl-1-1
Zone_3_Server_2_HBA_1-0 Zone_7_Server_2_HBA_1_1
Server-3-HBA_1_0 Server-2-HBA_1_1
16