Integration Guide
Table Of Contents
- Preface
- Contents
- 1 System description
- 1.1 Overview
- 1.2 Architecture
- 1.3 Pin-out
- 1.4 Operating modes
- 1.5 Power management
- 1.6 System functions
- 1.7 RF connection
- 1.8 SIM interface
- 1.9 Serial Communication
- 1.10 Audio
- 1.11 ADC input (LEON-G100 only)
- 1.12 General Purpose Input/Output (GPIO)
- 1.13 M2M Setup Schematic Example
- 1.14 Approvals
- 2 Design-In
- 3 Handling and soldering
- 4 Product Testing
- Appendix
- A Extra Features
- B Glossary
- Related documents
- Revision history
- Contact

LEON-G100/G200 - System Integration Manual
GSM.G1-HW-09002-F3 Preliminary System description
Page 33 of 101
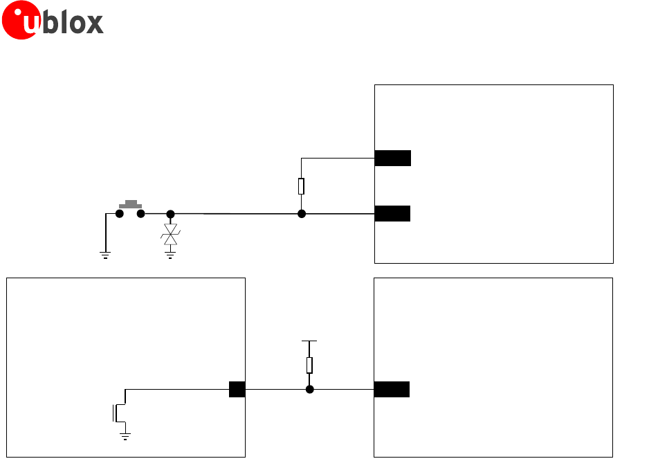
Power-on
push button
LEON-G100/G200
19
PWR_ON
LEON-G100/G200
19
PWR_ON
Application Processor
100 k
100 k
2
V_BCKP
ESD
Figure 18: Power on (PWR_ON) application circuits using a push button or using an application processor
1.6.1.3 RTC alarm
The module can be switched-on by the RTC alarm if a valid voltage is applied to VCC pin, when Real Time Clock
system reaches a pre-defined scheduled time. The RTC system will then initiate the boot sequence by indicating
to the power management unit to turn on power. Also included in this setup is an interrupt signal from the RTC
block to indicate to the baseband processor, that a RTC event has occurred.
1.6.1.4 Charger detection on V_CHARGE and CHARGE_SENSE pins (LEON-G200 only)
The module can be switched-on by a charger: when a voltage value within the valid range for charger detection
is applied to the module V_CHARGE and CHARGE_SENSE pins (See LEON-G100/G200 Data Sheet [1]), the
module is switched on in charge mode.
1.6.1.5 Additional considerations
The module is switched on when the voltage rises up to the VCC normal operating range: the first time that the
module is used, it is switched on in this way. Then, the proper way to switch-off the module is by means of the
AT+CPWROFF command. When the module is in power-off mode, i.e. the AT+CPWROFF command has been
sent and a voltage value within the normal operating range limits is still provided to the VCC pin, the digital
input-output pads of the baseband chipset (i.e. all the digital pins of the module) are locked in tri-state (i.e.
floating). The power down tri-state function isolates the pins of the module from its environment, when no
proper operation of the outputs can be guaranteed. To avoid an increase of the module current consumption in
power down mode, any external signal of the digital interfaces connected to the module must be set low or tri-
stated when the module is in not-powered mode or in the power-off mode.
The module can be switched on from power-off mode by forcing a proper start-up event (i.e. a low level on the
PWR_ON pin, or an RTC alarm, or a charger detection). After the detection of a start-up event, all the digital
pins of the module are held in tri-state until all the internal LDO voltage regulators are turned on in a defined
power-on sequence. Then, as described in Figure 19, the baseband core continues to be held in reset state for a
time interval: the module still pulls the RESET_N pin low and any signal from the module digital interfaces is
held in reset state. The reset state of all the digital pins is reported in the pin description table of the
LEON-G100/G200 Data Sheet [1]. When the module releases the RESET_N pin, the level at this pin will be pulled










