User Guide
Table Of Contents
- Preface
- Table of Contents
- Chapter 1 Introduction
- 1.1 Receiving and Inspection
- 1.2 Appearances
- 1.3 Installation Steps
- 1.4 Storage
- Chapter 2 Installation and Wiring
- Chapter 3 Start Up
- Chapter 4 Digital Keypad Operation
- Chapter 5 Parameters
- Chapter 6 Fault Code Information
- Chapter 7 Troubleshooting
- 7.1 Over Current (OC)
- 7.2 Ground Fault
- 7.3 Over Voltage (OV)
- 7.4 Low Voltage (Lv)
- 7.5 Over Heat (OH)
- 7.6 Overload
- 7.7 Keypad Display is Abnormal
- 7.8 Phase Loss (PHL)
- 7.9 Motor cannot Run
- 7.10 Motor Speed cannot be Changed
- 7.11 Motor Stalls during Acceleration
- 7.12 The Motor does not Run as Expected
- 7.13 Electromagnetic/Induction Noise
- 7.14 Environmental Condition
- 7.15 Affecting Other Machines
- Chapter 8 Maintenance and Inspections
- Appendix A Specifications
- Appendix B Accessories
- Appendix C How to Select the Right AC Motor Drive
- Appendix D CE

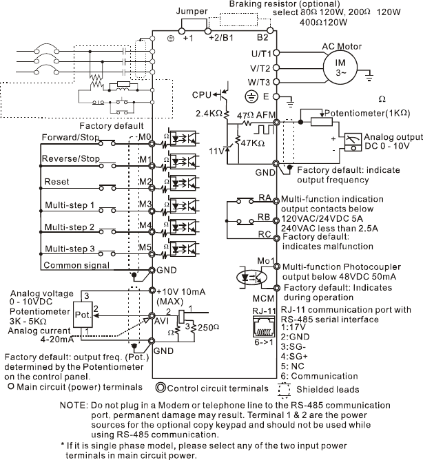
Chapter 2 Installation and Wiring|VFD-S Series
2-18 Revision August 2006, SE08, SW V2.61
For VFDXXXSXXA/B/D/U
4.7k
47K
Grounding resistance
less than 100
4.7k
4.7k
4.7k
4.7k
4.7k
17V
Main Circuit Power
S/L2
T/L3
NFB
SA
OFF
ON
MC
MC
RB
RC
Recommended Circuit
when power supply
is turned OFF by a
fault output
R/L1
R/L1
S/L2
T/L3
E
17V
17V
17V
17V
17V
17V