User Guide
Table Of Contents
- Preface
- Table of Contents
- Chapter 1 Introduction
- 1.1 Receiving and Inspection
- 1.2 Appearances
- 1.3 Installation Steps
- 1.4 Storage
- Chapter 2 Installation and Wiring
- Chapter 3 Start Up
- Chapter 4 Digital Keypad Operation
- Chapter 5 Parameters
- Chapter 6 Fault Code Information
- Chapter 7 Troubleshooting
- 7.1 Over Current (OC)
- 7.2 Ground Fault
- 7.3 Over Voltage (OV)
- 7.4 Low Voltage (Lv)
- 7.5 Over Heat (OH)
- 7.6 Overload
- 7.7 Keypad Display is Abnormal
- 7.8 Phase Loss (PHL)
- 7.9 Motor cannot Run
- 7.10 Motor Speed cannot be Changed
- 7.11 Motor Stalls during Acceleration
- 7.12 The Motor does not Run as Expected
- 7.13 Electromagnetic/Induction Noise
- 7.14 Environmental Condition
- 7.15 Affecting Other Machines
- Chapter 8 Maintenance and Inspections
- Appendix A Specifications
- Appendix B Accessories
- Appendix C How to Select the Right AC Motor Drive
- Appendix D CE

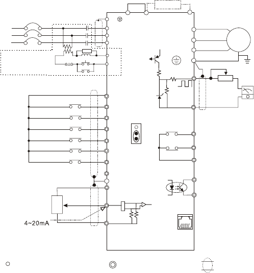
Chapter 2 Installation and Wiring|VFD-S Series
2-20 Revision August 2006, SE08, SW V2.61
For VFDXXXSXXE
PNP (source mode)
B2
U/T1
V/T2
W/T3
IM
3~
NOTE: Do not plug in a Modem or telephone line to the RS-485 communication
port, permanent damage may result. Terminal 1 & 2 are the power
sources for the optional copy keypad and should not be used while
using RS-485 communication.
61
←
+2/B1
E
M0
M1
M2
M3
M4
M5
GND
AVI
GND
+10V 10mA
(MAX)
3
2
1
Pot.
010VDC
Potentiometer
3K 5K
~
~Ω
RJ-11
1:17
2:GND
3:SG-
4:SG+
V
Braking resistor (optional)
Forward/Stop
Reverse/Stop
Reset
Multi-step 1
Multi-step 2
Multi-step 3
Common signal (source)
Analog voltage
Analog current
AC Motor
Grounding resistance
less than 100
Ω
Mo1
MCM
RA
RB
RC
Multi-function indication
output contacts below
120VAC/24VDC 5A
Factory default:
indicates malfunction
Multi-function Photocoupler
output below 48VDC 50mA
Factory default: Indicates
during operation
A
FM
GND
+
-
Potentiometer(1K )
Ω
DC 0 10V
~
Analog output
Main circuit (power) terminals
Control circuit terminals
Shielded leads
* If it is single phase model, please select any of the two input power
terminals in main circuit power.
+1
Jumper
select 80
ΩΩ
120W, 200 120W
400 120W
Ω
1
3
2
250
Ω
47K
Ω
Factory default: output freq. (Pot.)
determined by the Potentiometer
on the control panel.
Factory default: indicate
output frequency
47K
Ω
47
Ω
11V
CPU
+17V
2.4
Ω
RJ-11 communication port with
RS-485 serial interface
17V 20mA
E
NPN
J2
PNP
Main Circuit Power
S/L2
T/L3
NFB
SA
OFF
ON
MC
MC
RB
RC
Recommended Circuit
when power supply
is turned OFF by a
fault output
R/L1
R/L1
S/L2
T/L3
E