Dimensions Guide

COMPLIES WITH:
•
ASME A112.18.1 / CSA B125.1
•
ASME A112.18.2 / CSA B125.2
Indicates compliance to
ICC/ANSI A117.1
•
EPA WaterSense
®
•
Verified compliant with .25% weighted
average Pb content regulations.
LAVATORY FAUCETS
■ Leland
®
Series
■ Two Handle Deck Mount
Submitted Model No.: _______________________________________________
Specific Features: __________________________________________________
STANDARD SPECIFICATIONS:
• Max. 1.20 gpm @ 60 psi, 4.54 L/min @ 414 kPa
• Solid brass cast body
• Hot and cold stems are interchangeable
• Control mechanism is the rotating cylinder type with
stainless steel plate and 90° rotation, with
replaceable non-metallic seats operating in stainless
steel lined sockets
• Models include polypropylene pop-up type drain
fitting with plated metal flange and stopper cap
• Models with "MPU" suffix include metal drain with
pop-up type drain fitting with plated flange and
stopper cap
• Optional thick deck kit (RP76691) adds 1 1/4" max.
deck thickness
2578LF-MPU▲
2578LF-278▲
DSP-L-2578LF-278 Rev. C
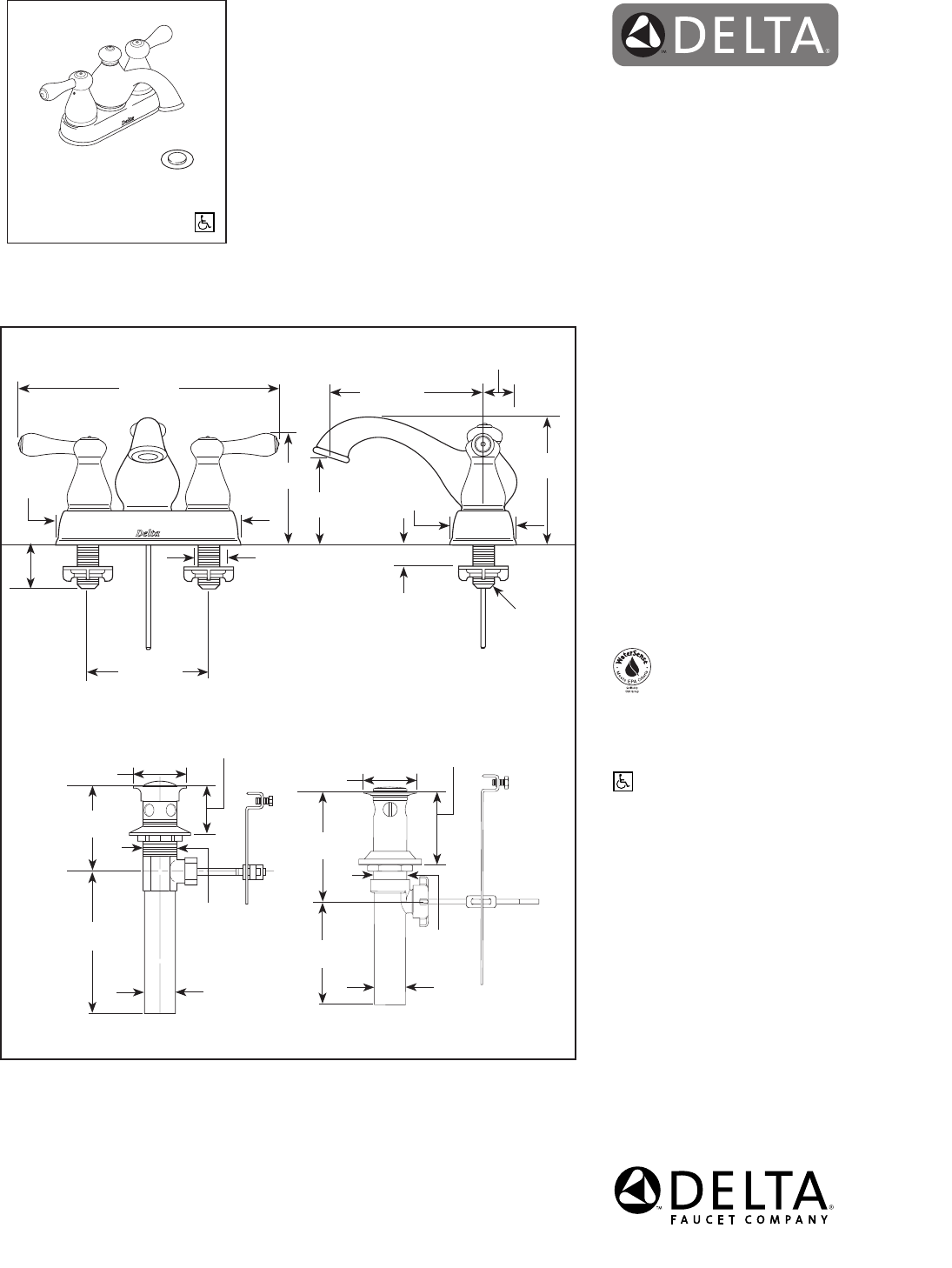
4" Centers
(102 mm)
1/2"-14 NPSM
2 1/2"
(64 mm)
1 5/8" (41 mm)
Max. Deck
Thickness
5 1/16"
(129 mm)
▲ Designate proper finish suffix
3 7/8"
(98 mm)
Delta reserves the right (1) to make changes in specifications and materials, and (2) to change or discontinue
models, both without notice or obligation. Dimensions are for reference only. See current full-line price book or
www.deltafaucet.com for finish options and product availability.
55 E. 111th Street, Indianapolis, IN 46280
350 South Edgeware Road, St. Thomas, ON N5P 4L1
© 2016 Masco Corporation of Indiana
Min. 2 1/2" (64 mm)
Clearance to Back Splash
2 1/4"
(57 mm)
2x 1 1/8"
to 1 1/2"
(29 mm to
38 mm)
Hole Size
9 1/8"
(230 mm)
6 1/4"
(159 mm)
3 7/8"
(97 mm)
2 3/8"
(61 mm)
2 1/8"
(54 mm) Dia.
1 1/4"
(32 mm)
Dia.
3 3/8"
(86 mm)
4 5/8"
(118 mm)
1 3/8"
(35 mm)
Dia.
1 5/8" (42 mm)to
2 3/8" (61 mm)
2 1/8"
(54 mm) Dia.
1 1/4"
(32 mm)
Dia.
4 3/8"
111 mm)
4 1/8"
(105 mm)
1 3/8"
(35 mm)
Dia.
1 5/8" (42 mm)to
2 3/8" (61 mm)
WARRANTY
•
Lifetime limited warranty on parts (other than
electronic parts and batteries) and finishes:
or, for commercial users, for 5 years from
date of purchase.
•
5 year limited warranty on electronic parts
(other than batteries); or, for commercial
users, for 1 year from the date of purchase.
No warranty is provided on batteries.