Dimensions Guide

DSP-L-3530LF Rev. E
BATHROOM FAUCET
■ Classic Series
■ Two Handle Widespread Deck Mount
Submitted Model No.: _______________________________________________
Specific Features: __________________________________________________
STANDARD SPECIFICATIONS:
• Max. flow rate1.2 gpm @ 60 psi, 4.5 L/min @ 414 kPa
• Three hole mount
• Solid brass fabricated end valve and spout bodies
• Quick-Snap
®
Installation
• See handle options below
• 1/4 turn handle stops
• Control mechanism is the rotating cylinder type with
stainless steel plate and 180˚ rotation, with replace-
able non-metallic seats operating in stainless steel
lined sockets
• Models have metal drain with pop-up type fitting
with plated flange and stopper
• Note: Standard mounting deck thickness can be
extended 1" with RP10612.
Delta reserves the right (1) to make changes in specifications and materials, and (2) to change or discontinue
models, both without notice or obligation. Dimensions are for reference only. See current full-line price book or
www.deltafaucet.com for finish options and product availability.
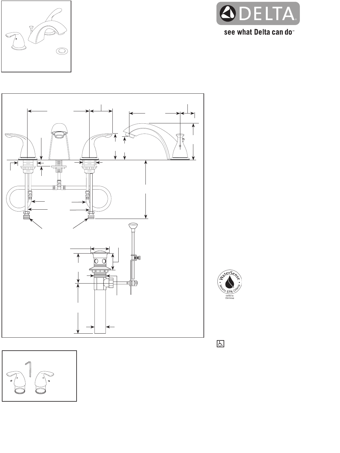
3530LF▲
6" to 16"
(152 mm to
406 mm)
Centers
3 3/8"
(86 mm)
1 1/8"
(29 mm)
Max. Deck
Thickness
5 1/4"
(134 mm)
3 3/4"
(95 mm)
2 3/8"
(61 mm)
▲ Designate proper finish suffix
2 1/8"
(54 mm) Dia.
1 1/4"
(32 mm)
Dia.
3 3/8"
(86 mm)
4 5/8"
(118 mm)
1 3/8"
(35 mm)
Dia.
1 5/8"
(42 mm)
to
2 3/8"
(61 mm)
3x 1 1/8" to 1 1/2"
(29 mm to 38 mm)
Hole Size
Min. 2 1/2" (64 mm)
Clearance To Back Splash
COMPLETE VALVE COMPLIES WITH:
•
ASME A112.18.1 / CSA B125.1
•
ASME A112.18.2 / CSA B125.2
•
ASME A112.18.6
Indicates compliance to
ICC/ANSI A117.1 - Valve control only
•
EPA WaterSense
®
•
Verified compliant with .25% weighted average
Pb content regulations.
Flexible Hose
Connection
3/8" O.D.
Copper Tubing
1/2"-14 NPSM
2 1/4"
(57 mm)
Dia.
7 5/8"
(194 mm)
2 3/4"
(70 mm)
RP64364▲ Lever Handle Kit
Delta Faucet Company
55 E. 111th Street, Indianapolis, IN 46280
350 South Edgeware Road, St. Thomas, ON N5P 4L1
© 2020 Delta Faucet Company
WARRANTY
•
Parts and Finish - Lifetime limited warranty; or for
commercial purchasers, 10 years for multi-family
residential (apartments and condominiums) and
5 years for all other commercial uses, in each case
from the date of purchase.
•
Electronic Parts and Batteries (if applicable) - 5
years from the date of purchase; or for commercial
purchasers, 1 year from the date of purchase. No
warranty is provided on batteries.