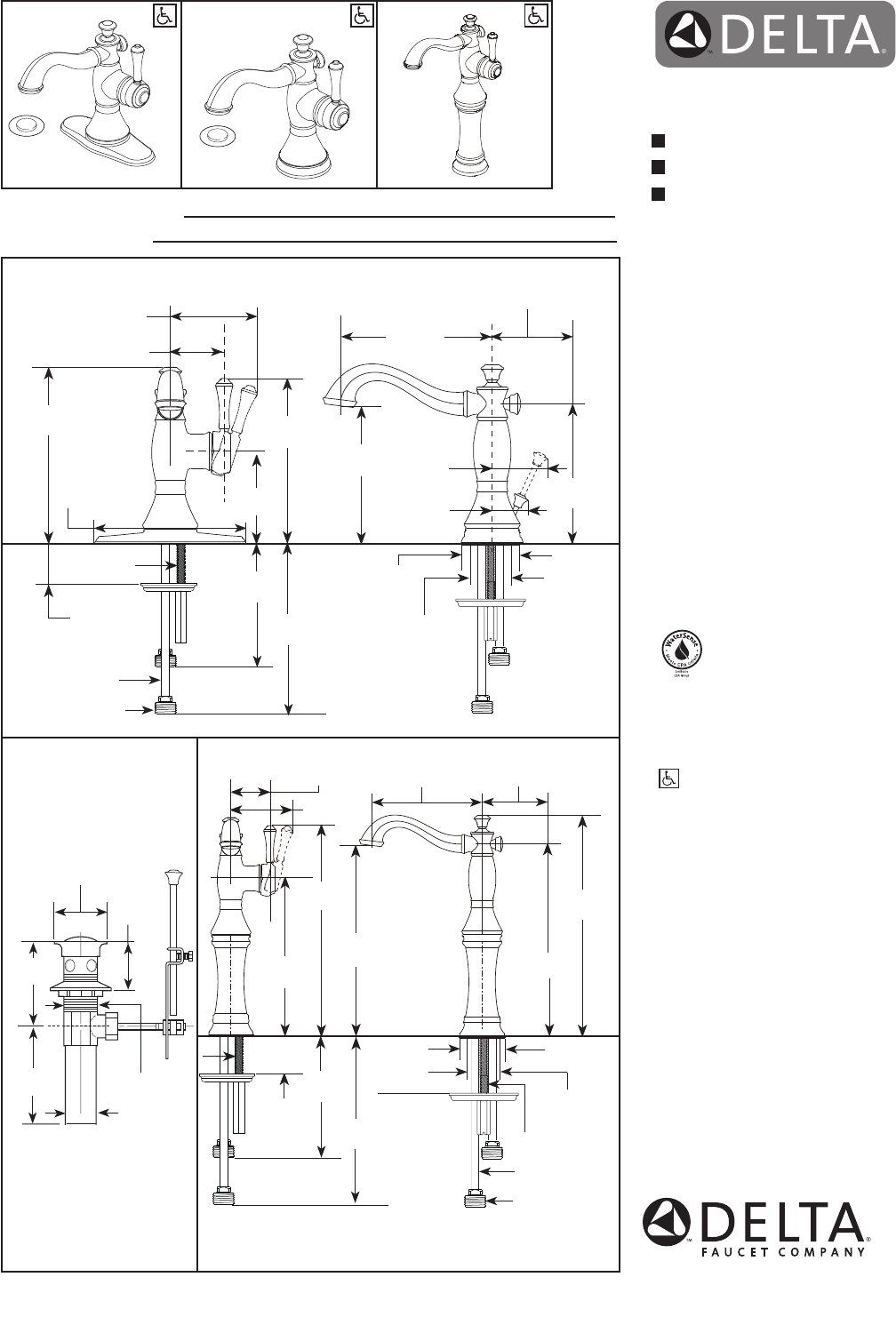
Dimensions Guide

STANDARD SPECIFICATIONS
Submitted Model No.:
Specific Features:
DSP-L-597LF Rev. G
597LF-▲MPU
with Escutcheon
597LF-▲MPU
597LF-▲MPU
797LF▲
797LF▲
▲ Designate proper finish suffix
55 E. 111th Street, Indianapolis, Indiana 46280
350 South Edgeware Road, St. Thomas, Ontario
Canada N5P 4L1
© 2016 Masco Corporation of Indiana
Min.2 1/2" (64 mm)
Clearance to Back
Splash Recommended
Cassidy™ Series
Single Handle Deck Mount
6 13/16"
(173 mm)
6 1/8"
(57mm)
Max. Deck
Thickness
2 1/4"
(156 mm)
4 3/8"
(111 mm)
5 13/32"
(137mm)
5 27/32"
(148 mm)
2 3/32"
(53 mm)
3 13/32"
(87 mm)
6 3/8"
(162 mm)
2 3/8"
(60 mm)
3 9/16"
(91 mm)
1/2"-14 NPSM
adapters
Copper Tubing
5/16-18 UNC
3/8" O.D.
5 1/2"
(38mm)
Max. Deck
Thickness
1 1/2"
(140 mm)
3 11/16"
(94 mm)
8 5/16"
(211 mm)
11 1/8"
(283mm)
9 31/32"
(253mm)
10 1/32"
(255mm)
5 13/32"
(137mm)
1/2"-14 NPSM
adapters
Copper Tubing
5/16-18 UNC
3/8" O.D.
• One or three hole mount
• Solid brass fabricated body
• Control mechanism is replaceable cartridge with
ceramic plates
5 7/32"
(133 mm)
1 3/8"
(35 mm)
2 1/8"
(54 mm)
5 9/32"
(134 mm)
1 1/8"~1 1/2"
(29~38 mm)
Hole Size
1 1/8"~1 1/2"
(29~38 mm)
Hole Size
Min.2 1/2" (64 mm)
Clearance to Back
Splash Recommended
2 3/8"
(60 mm)
LAVATORY FAUCET
1 1/4"
(32 mm) Dia.
2 1/8"
(54 mm) Dia.
3 3/8"
(86 mm)
1 5/8"
(41 mm)
to 2 3/8"
(60 mm)
1 3/8"
(35 mm) Dia.
4 5/8"
(117 mm)
11 9/16"
(294 mm)
3 13/32"
(87 mm)
2 3/32"
(53 mm)
Metal Pop-Up (597LF only)
Single Hole Riser Models
• Models have metal drain with pop-up type
fitting with plated flange and stopper (597LF only)
• Maximum 1.20 gpm @ 60 psi, 4.54 L/min @ 414 kPa
COMPLIES WITH:
•
ASME A112.18.1/ CSA B125.1
•
ASME A112.18.2 / CSA B125.2
Indicates compliance to
ICC/ANSI A117.1
•
Verified compliant with 0.25% weighted average
Pb content regulations.
• EPA WaterSense
®
WARRANTY
• Lifetime limited warranty on parts (other than
electronic parts and batteries) and finishes; or
for commercial users, for 5 years from the date
of purchase.
• 5 year limited warranty on electronic parts (other
than batteries); or for commercial users, for 1 year
from the date of purchase. No warranty is provided
on batteries.
Delta reserves the right (1) to make changes in specifications and materials, and (2) to change or discontinue
models, both without notice or obligation. Dimensions are for reference only. See current full-line price book or
www.deltafaucet.com for finish options and product availability.

