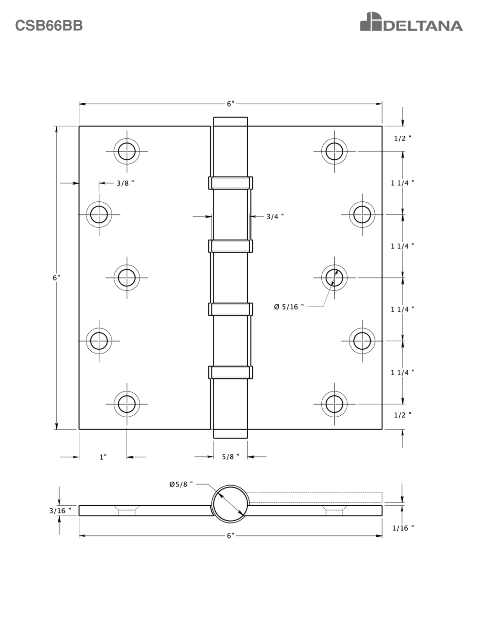
Specification Sheet for Deltana CSB66BB
Manuals
Brands
Deltana Manuals
Door Hinges
Deltana 6 x 6 Ball Bearing Square Corner Full Mortise Hinge - Pair
1
1
Summary of content (1 pages)
PAGE 1