User Guide
Manuals
Brands
Denon Manuals
Telephone Accessories
AVR-1909
11
12
13
14
15
16
17
18
19
20
8
7
6
5
4
3
2
1
A
B
C
D
E
F
A
VR-1909/789,
A
VC-1909
SCHEMA
TIC DIAGRAMS (4/25)
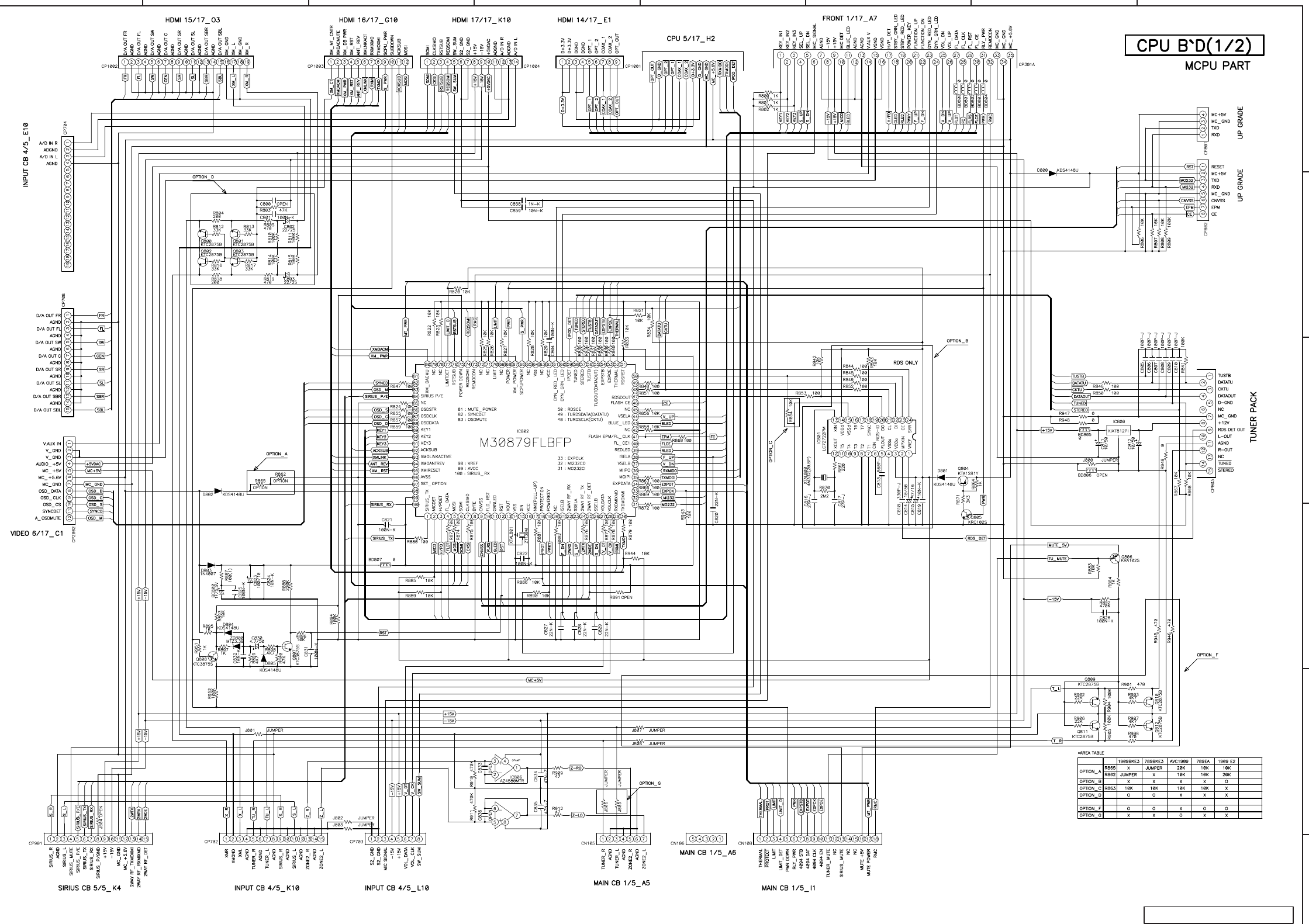
CPU UNIT (1/2)
MCPU P
ART
1
...
...
9
10
11
12
13
...
...
32