User Guide
Manuals
Brands
Denon Manuals
Telephone Accessories
AVR-1909
21
22
23
24
25
26
27
28
29
30
8
7
6
5
4
3
2
1
A
B
C
D
E
F
A
VR-1909/789,
A
VC-1909
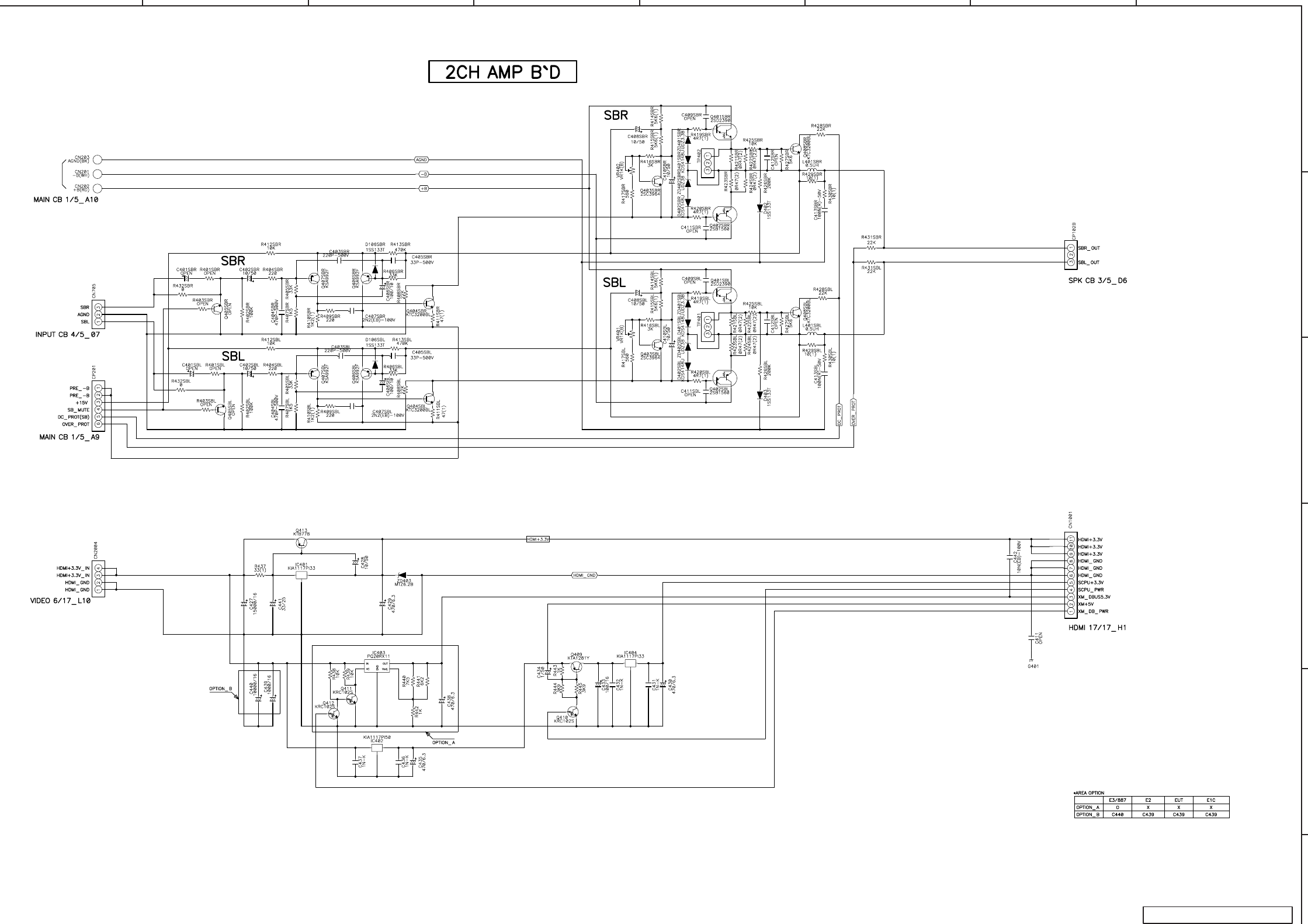
SCHEMA
TIC DIAGRAMS (19/25)
2CH
AMP
UNIT
1
...
...
24
25
26
27
28
...
...
32