
Datasheet
5A 350KHz 25V Buck DC to DC Converter
3
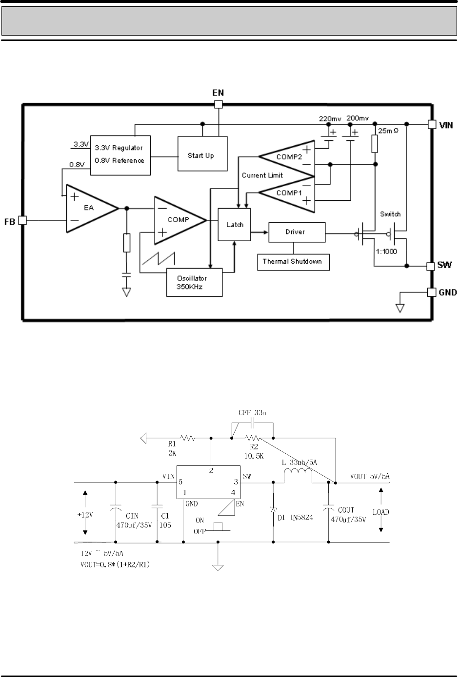
Function Block
Figure3. Function Block Diagram of GS2678
Typical Application Circuit
Figure4. GS2678 Typical Application Circuit 12V-5V/5A
SHENZHEN GSM ELECTAONIC CO.,LTD http://www.086ic.cn tel:0755-81275006 mob:13424297678