Datasheet

TB6612FNG
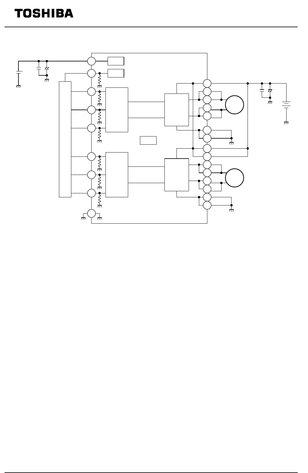
Typical Application Diagram
Note: Condensers for noise absorption (C1, C2, C3, and C4) should be connected as close as possible to the IC.
+4.5V
~13.5V
+
C1
10uF
C2
0.1uF
M
MCU
STBY
AIN1
AIN2
PWMA
H-SW
Driver
A
18
TSD
Vcc
GND
2
AO1
24
VM1
Control
Logic
A
20
21
22
23
19
3
PGND1
BIN1
BIN2
PWMB
Control
Logic
B
17
16
15
STBY
UVLO
4
PGND1
1
AO1
6
AO2
5
AO2
H-SW
Driver
B
11
BO1
13
VM2
9
PGND2
10
PGND2
12
BO1
7
BO2
8
BO2
14
VM3
M
+2.7V
~5.5V
+
C3
10uF
C4
0.1uF
+2.7 V
to 5.5 V
+4.5 V
to 13.5 V
2014-10-01
7










