User Manual

1-Aug-2012
11
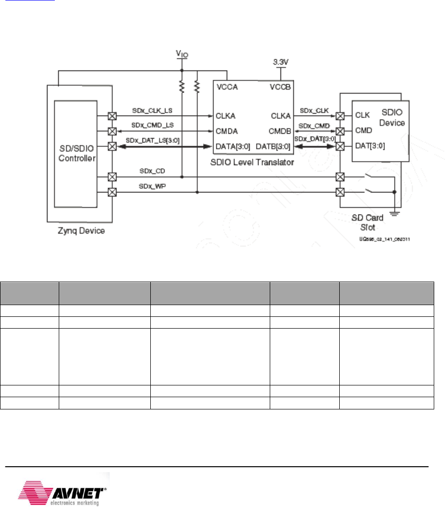
2.2.3 SD Card Interface
The Zynq PS SD/SDIO peripheral controls communication with the ZedBoard SD Card (A 4GB
Class 4 card is included in the ZedBoard kit.) The SD card can be used for non-volatile external
memory storage as well as booting the Zynq EPP. PS peripheral sd0 is connected through Bank
1/501 MIO[40-47], including, Card Detect and Write Protect.
The SD Card is a 3.3V interface but is connected through MIO Bank 1/501 (1.8V). Therefore, a
TI TXS02612 level shifter performs this translation. The TXS02612 is a 2-port SDIO port
expander with level translation. ZedBoard only makes use of one of these parts. TI offered an
alternative TXS0206 device, but the 0.4mm pitch of that device’s packaging was too fine for our
manufacturer.
Based on the Zynq TRM, host mode is the only mode supported.
The ZedBoard SD Card is connected through a 9-pin standard SD card connector, J12, TE
2041021-1. A Class 4 card or better is recommended.
Note: To use the SD Card, JP6 must be shorted.
Figure 6 - SD Card Interface
Table 4 – SD Card Pin Assignment and Definitions
Signal
Name
Description
Zynq EPP Pin
Level Shift
Pin
SD Card Pin
CLK
Clock
E14 (MIO Bank 1/501)
Pass-Thru
5
CMD
Command
C8 ((MIO Bank 1/501)
Pass-Thru
2
Data[3:0]
Data
MIO Bank 1/501
D0: D8
D1: B11
D2: E13
D3: B9
Pass-Thru
Data Pins
7
8
9
1
CD
Card Detect
B10 (MIO Bank 1/501)
Pass-Thru
CD
WP
Write Protect
D12 ((MIO Bank 1/501)
Pass-Thru
WP










