Operating Instructions and Installation Instructions
Table Of Contents

A-II
Bijvoegsel
1
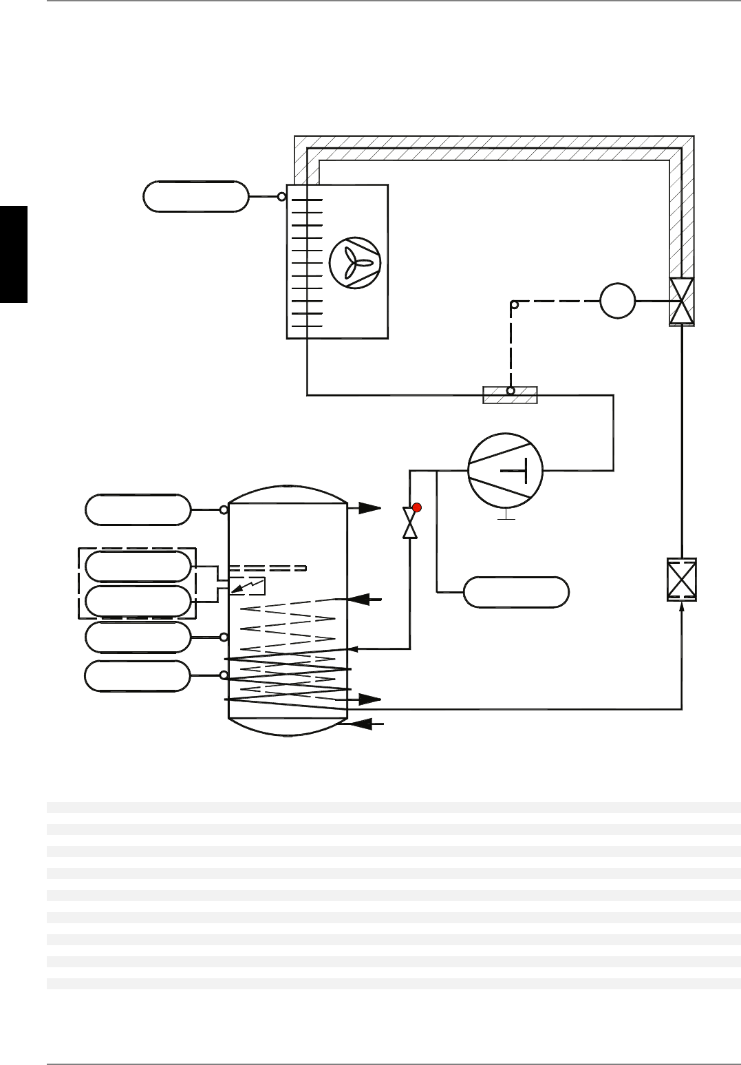
1 Hydraulische basisschema's
1.1 Koelmiddelkringloop
1.2 Legende
1 Compressor
2 Pressostaat HD
3 Condensor
4 Warmwateraccumulator
5 Warmtewisselaar (niet alle types)
6 Verwarmingselement
7 Corrosiebeschermingsanode
8 Temperatuurregelaar WP
9 Beveiligingstemperatuurbegrenzer
10 Temperatuurregelaar verwarmingselement
11 Temperatuurdisplay
12 Filterdroger
13 Expansieventiel
14 Luchttemperatuurthermostaat
15 Verdamper
16 Ventilator
17 Terugslagklep
18 Isolering
7&
3$&2+
7,&2/
7,
&2+
7,
&2+
&,/
7,
7,
&2+
&,/
9ULMGRPSHOKXOV