User guide
Manuals
Brands
Diodes Manuals
Hardware
AP3581A/B/C
4
5
6
7
8
9
10
11
12
13
D
a
t
a
S
h
e
e
t
Single
Phase
Synchr
onous
Buck
PWM
Contr
oller AP3581A/B/C
Oct.
201
1 Rev
.
1.
0
BCD
Semiconductor
Manufacturing
Limited
12
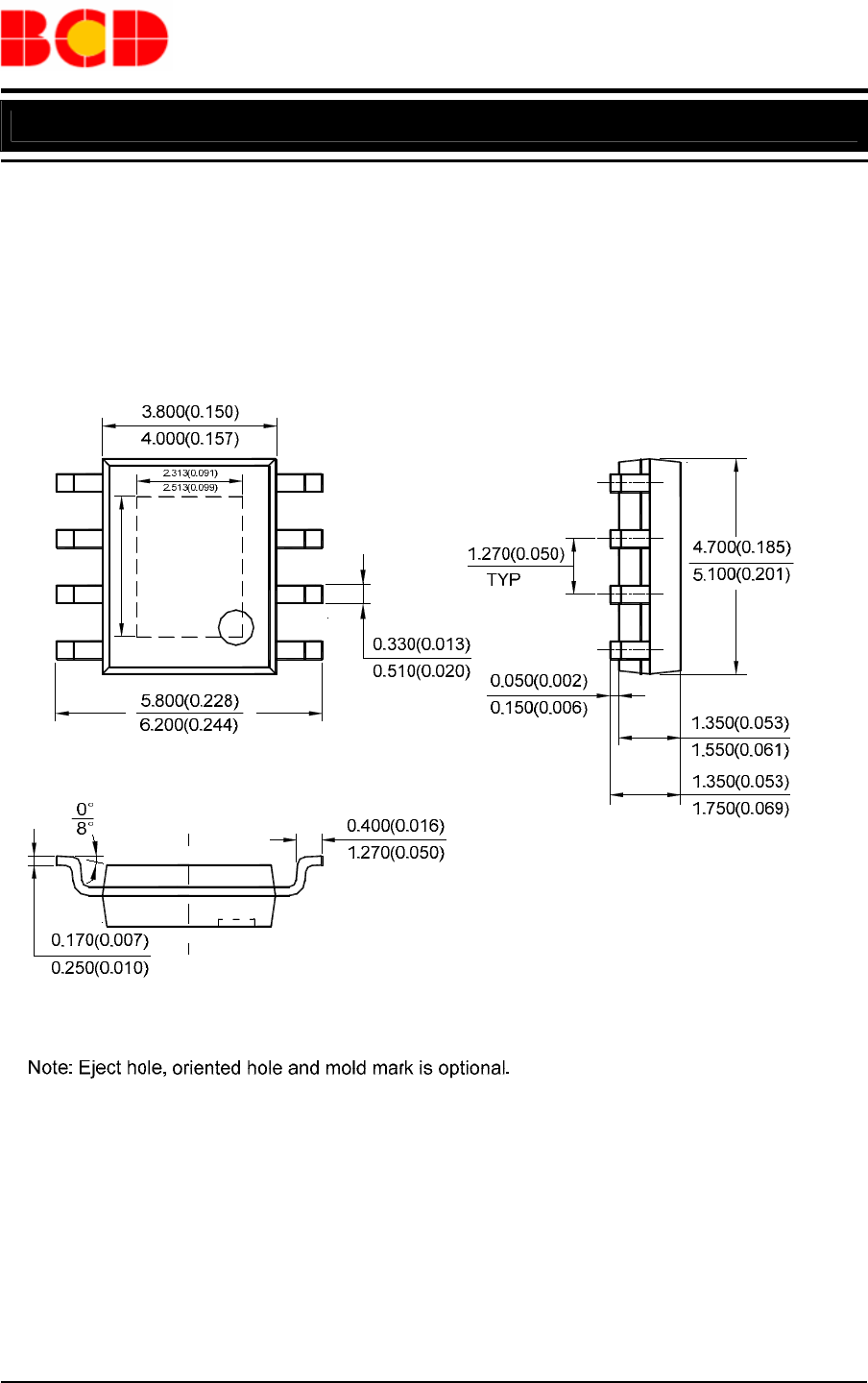
Mechanical Dimensions
P
S
O
P
-
8
U
n
i
t
:
m
m
(
i
n
c
h
)
3.202(0.126)
3.402(0.134)
1
...
...
10
11
12
13