User guide

PAM8302A
Document number: DSxxxxx Rev. 2 - 5
2 of 14
www.diodes.com
April 2013
© Diodes Incorporated
PAM8302A
A
Product Line o
f
Diodes Incorporated
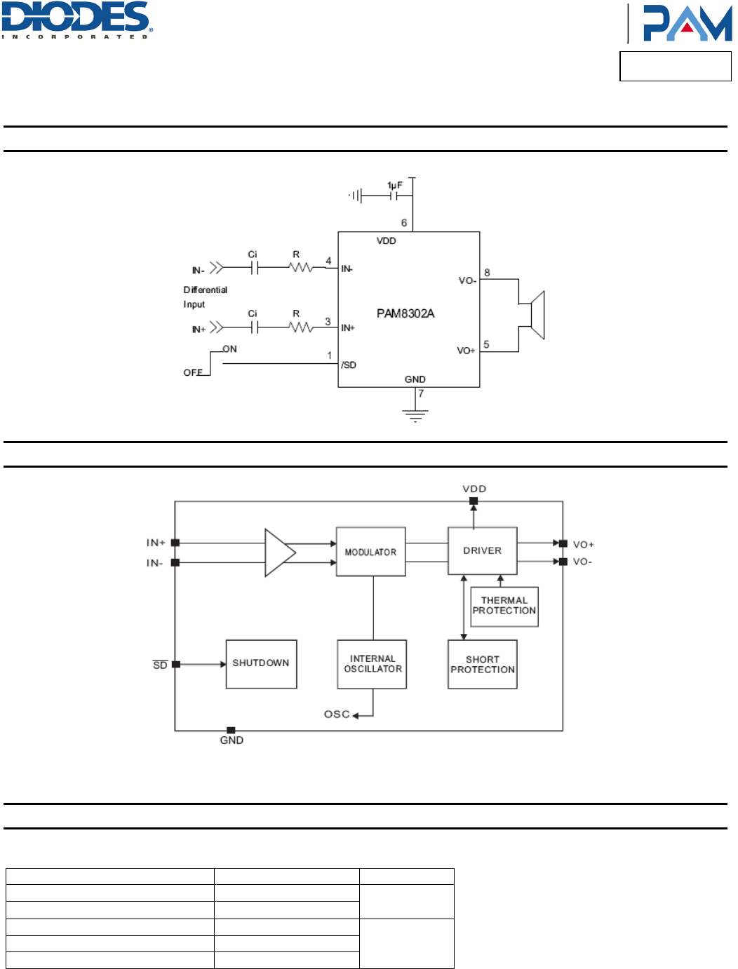
Typical Applications Circuit
Functional Block Diagram
Absolute Maximum Ratings (@T
A
= +25°C, unless otherwise specified.)
These are stress ratings only and functional operation is not implied. Exposure to absolute maximum ratings for prolonged time periods may
affect device reliability. All voltages are with respect to ground.
Parameter Rating Unit
Supply Voltage at No Input Signal 6.0
V
Input Voltage
-0.3 to V
DD
+0.3
Maximum Junction Temperature 150
°C
Storage Temperature -65 to +150
Soldering Temperature 300, 5sec