User manual

DLP-USB245M User Manual
Copyright © DLP Design 2002 Page 11 of 15
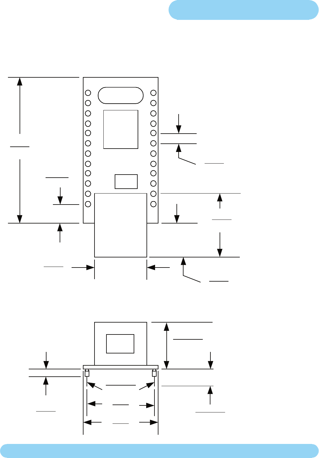
Mechanical Drawings (PRELIMINARY)
Inches(millimeters) unless otherwise noted
1.5 typ
(38.1 typ)
.235 typ
(6.0 typ)
.50 typ
(12.7 typ)
.65 typ
(16.5 typ)
.32 typ
(8.0 typ)
.10 typ
(2.54 typ)
.19 typ dia
(.46 typ)
.6 typ
(15.2 typ)
.7 typ
(17.8 typ)
.16 typ
(4.2 typ)
.52 typ dia
(13.2 typ)
.36 typ dia
(9.2 typ)










