User manual

DLP-USB245M User Manual
Copyright © DLP Design 2002 Page 15 of 15
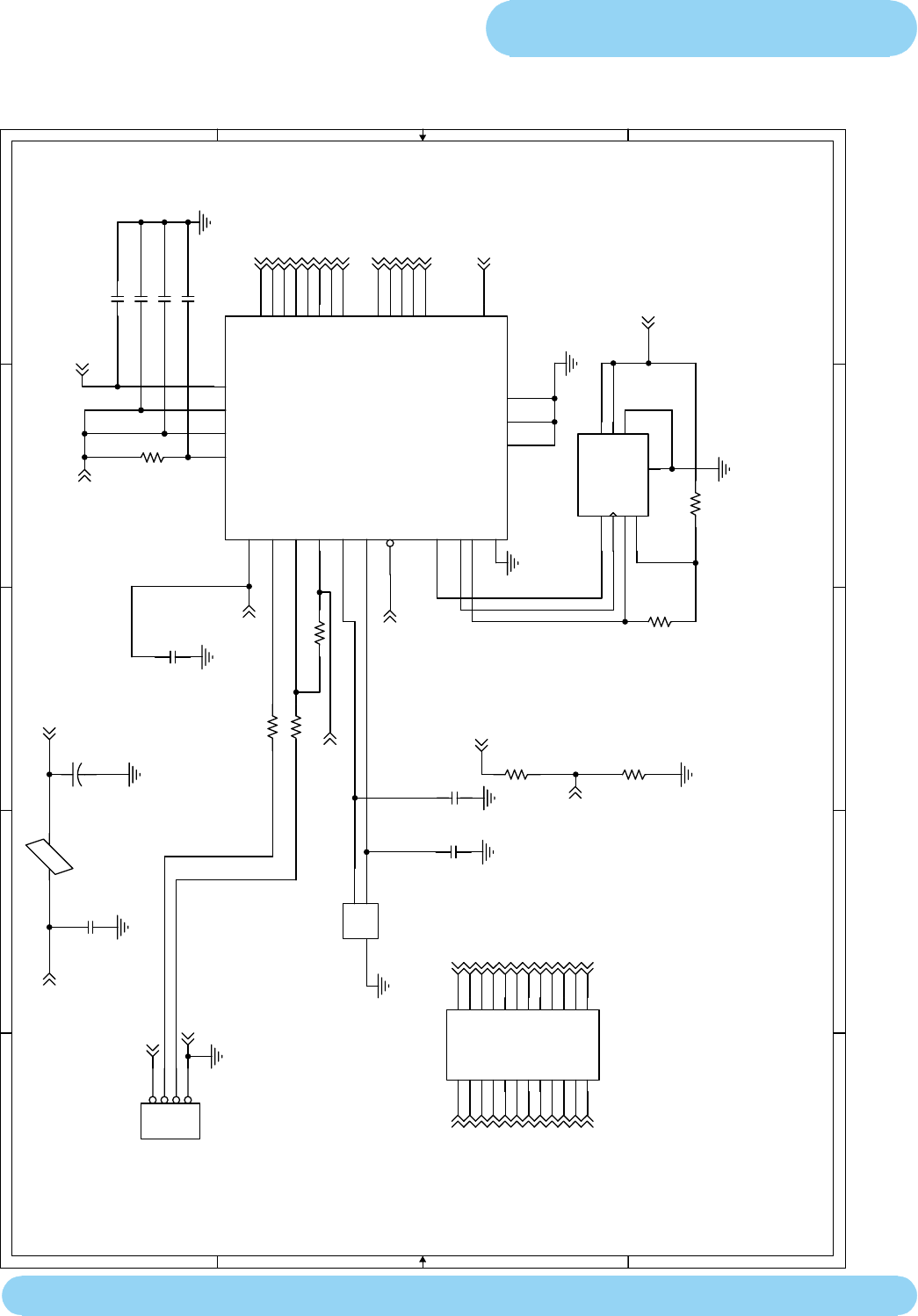
Appendix A – DLP USB245M Schematic
5
5
4
4
3
3
2
2
1
1
D
D
C
C
B
B
A
A
Populate for
DLP-USB245M
Populate for
DLP-USB232M
DLP-USB245M
EXTVCC
RESETO#
Board ID
USBVCC
EXTVCC
Board ID
VCC_IO
GND
PORTVCC
RESETO#
PORTVCC
USBVCC
SLEEP
VCC-IO
GND
SLEEP
USBVCC
RESET#
USBVCC
RESET#
D1
D2
D3
D4
D0
D5
D6
D7
RD#
WR
TXE#
RXF#
SND/WUP
D5
D1
D0
D6
D7
D3
D4
D2
WR
RD#
RXF#
SND/WUP
TXE#
GND
3V3OUT
GND
3V3OUT
R6
100K
CN1
USB Conn.
1
2
3
4
C5
.01
C4 .1
C2 .1
C1 .1
C3 .1
C7
.033
J2
1
2
3
4
5
6
7
8
9
10
11
12
24
23
22
21
20
19
18
17
16
15
14
13
R9
470
U2
93C46
1
2
3
4
5
8
6
7
CS
CLK
DI
DO
GND
VCC
NC
NC
R3 27R
C8
27pF
R2 27R
FB1
240-1018-1
1
2
R8
2.2K
Y1
6MHz
1
2
3
.
. .
R7
10K
C6
10/10 Tant
R5
100K
R4 1.5K
C9
27pF
U1
FT245BM
1
2
3
4
5
6
7
8
9
10
11
12
13
14
15
16
17
18
19
20
21
22
23
24
25
26
27
28
29
30
31
32
EESK
EEDATA
VCC
RESET#
RESETO#
3V3OUT
USBDP
USBDM
GND
POWREN#
SND/WUP
RXF#
VCC-IO
TXE#
WR
RD#
GND
D7
D6
D5
D4
D3
D2
D1
D0
VCC
XTIN
XTOUT
AGND
AVCC
TEST
EECS










