Manual
Manuals
Brands
Drawmer Electronics Manuals
Audio
DMS-5 M-Clock Plus AES Grade 1 MasterClock / Dual Sample Rate Conv.
1
2
3
4
5
6
7
8
9
10
9
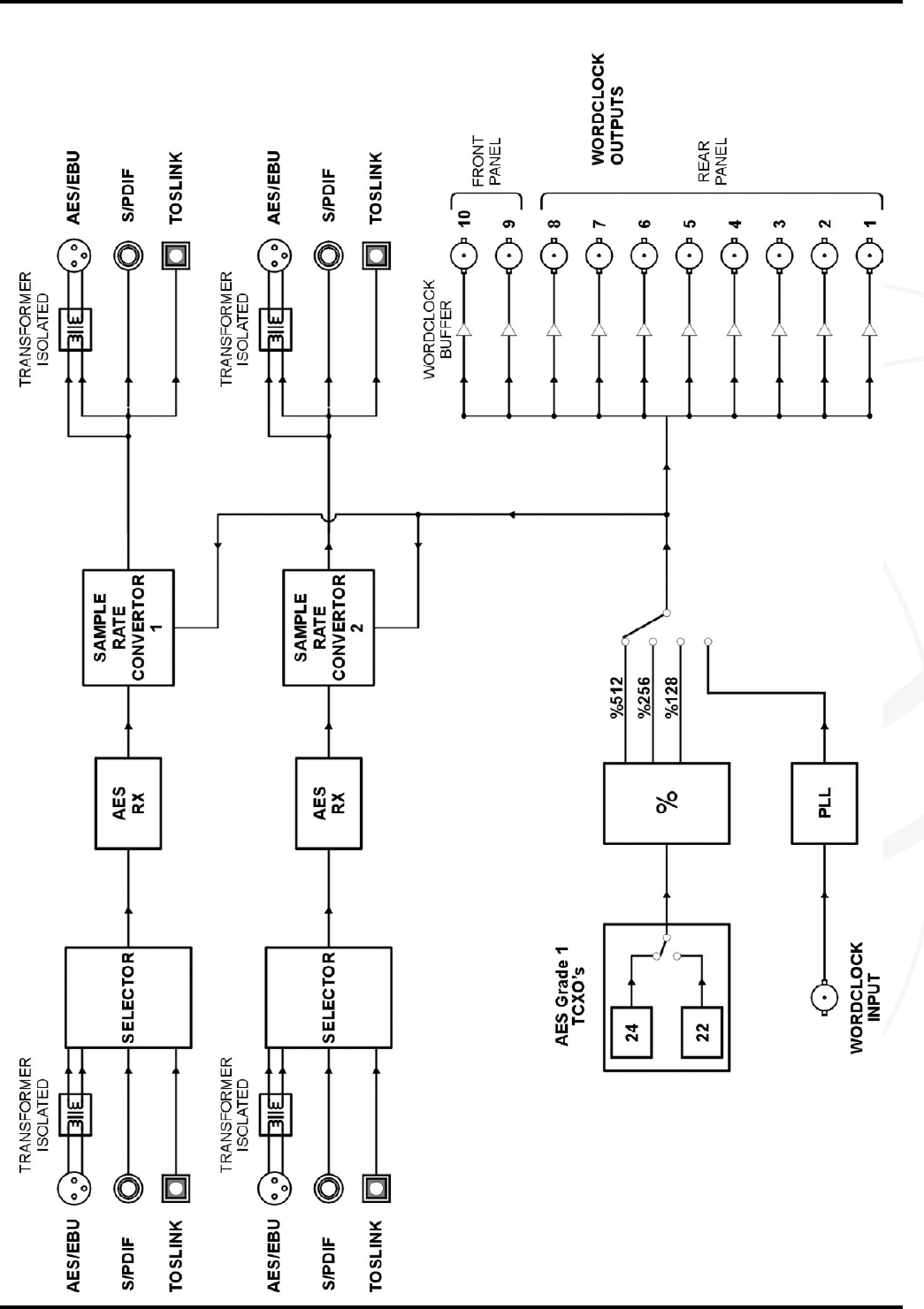
BLOCK DIAGRAM
Ref:1v01 A
1
1-02-08
1
...
...
7
8
9
10