Telephone Accessories User Manual

A part’s listing in this catalog does not guarantee its availability.
To download/print the most current catalog, go to www.lordfulfi llment.com/upload/PC7000.pdf. Rev.1 10/08
Page 97 of 124
DYNAFLEX ELASTOMERIC FLEXIBLE COUPLINGS
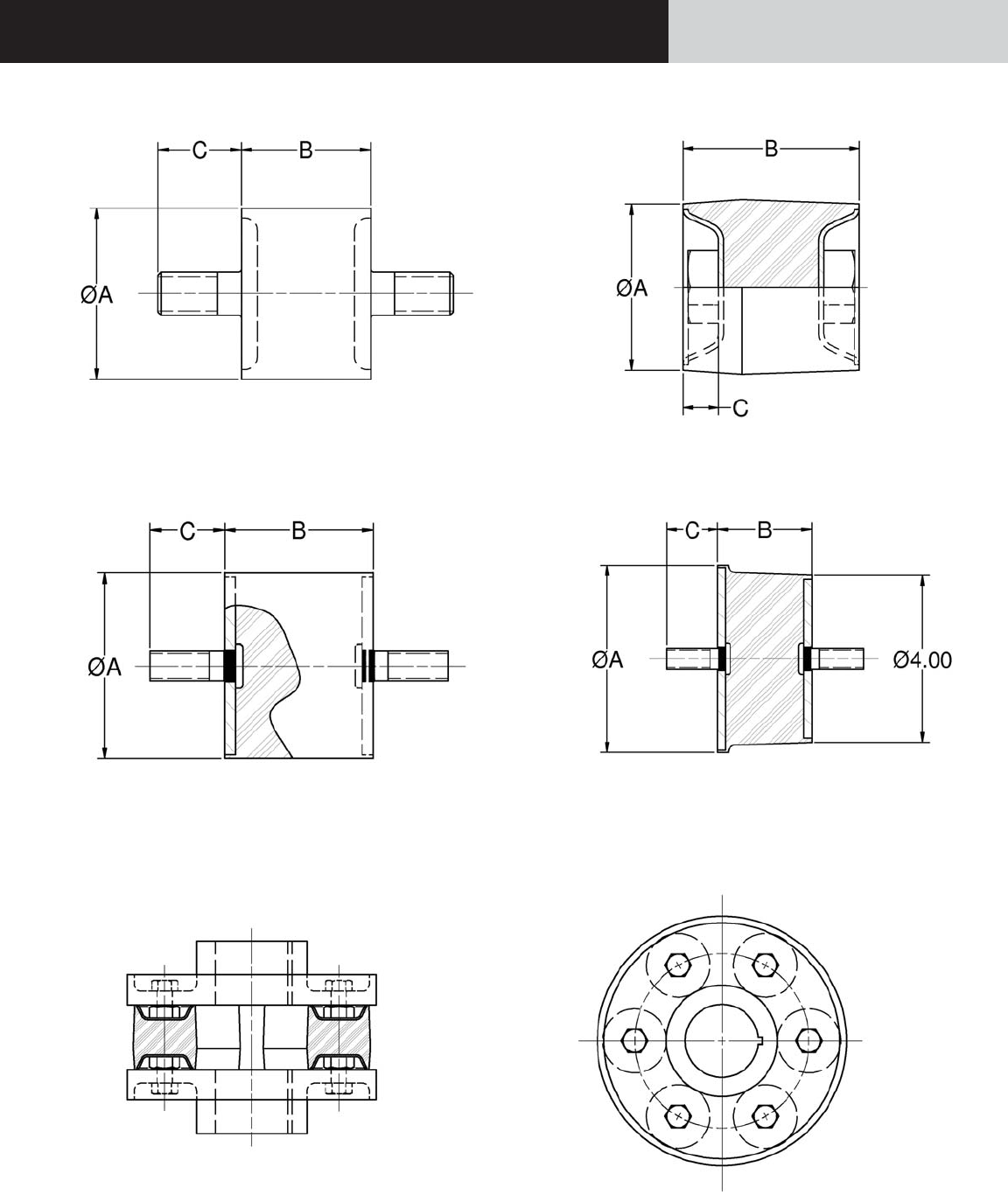
Figure 1 – Part Dimensions - J-4624-1 Figure 2 – Part Dimensions - J-3424-2
Figure 3 – Part Dimensions - J-5425-1 Figure 4 – Part Dimensions - J-5682-1
Figure 5 – Typical Assembly with Bonded Flexing Spools










