Manual

Operating instructions
D1G133-DC13-52
Translation of the original operating instructions
3. TECHNICAL DATA
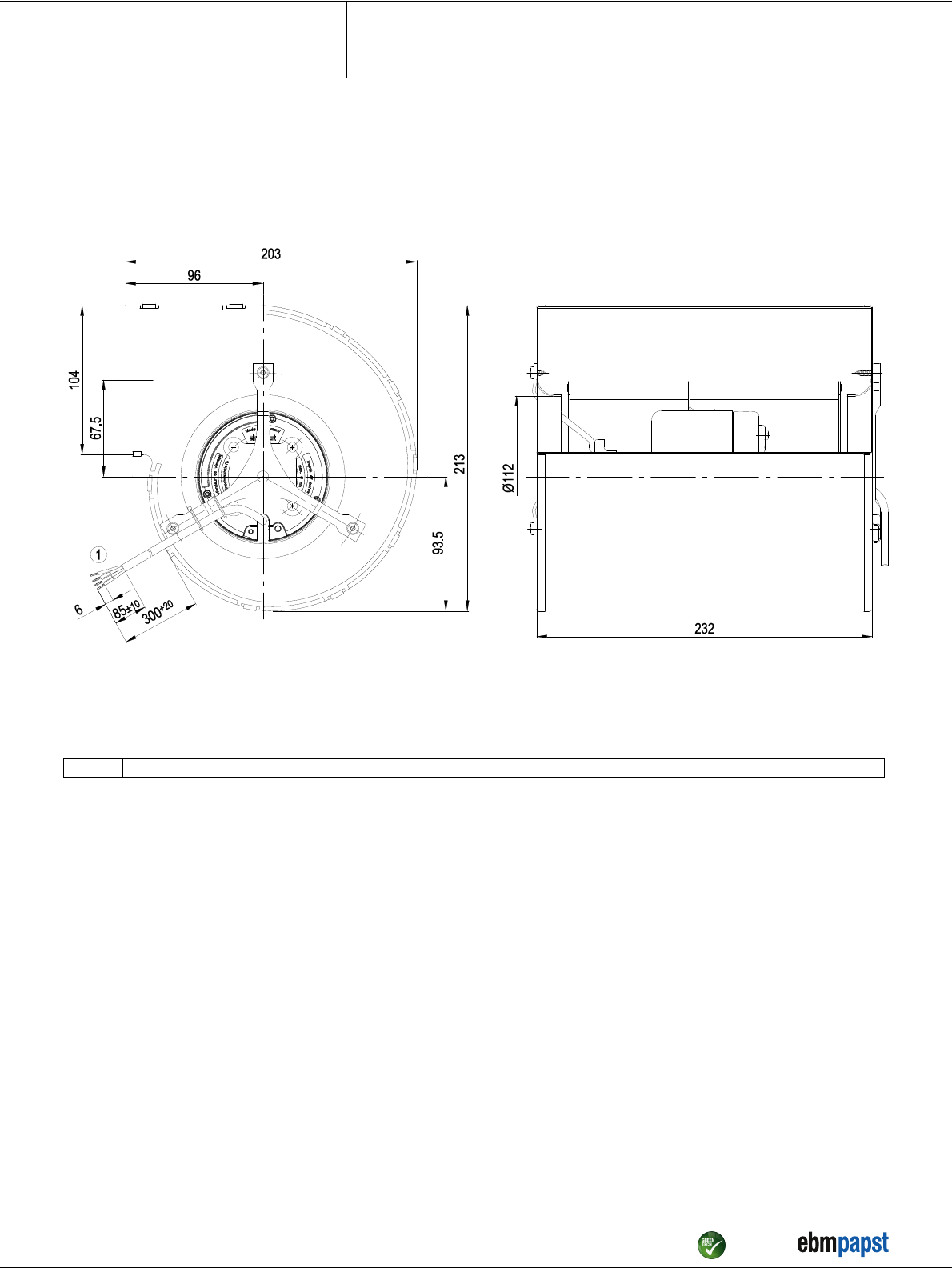
3.1 Product drawing
All measures have the unit mm.
1 Connection line PVC AWG20, 4x brass lead tips crimped
Item no. 51000-5-9970 · Revision 82545 · Release 2014-05-08 · Page 4 / 9
ebm-papst Mulfingen GmbH & Co. KG · Bachmühle 2 · D-74673 Mulfingen · Phone +49 (0) 7938 81-0 · Fax +49 (0) 7938 81-110 · info1@de.ebmpapst.com · www.ebmpapst.com