Manual

Operating instructions
D1G133-DC13-52
Translation of the original operating instructions
4.4 Connection screen
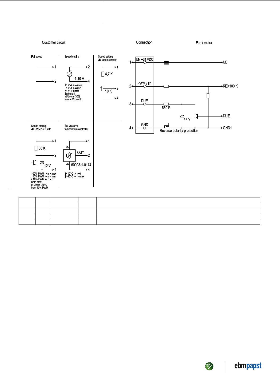
No. Conn. Designation Colour Function / assignment
1 1 Un +24V red Power supply 24 VDC, residual ripple 3.5 %
1 2 PWM / lin yellow PWM / lin, control input, 0-10 V
1 3 Tach white Speed monitoring output, 3 pulses per revolution, Isink max = 10 mA
1 4 GND blue Reference mass
Item no. 51000-5-9970 · Revision 82545 · Release 2014-05-08 · Page 7 / 9
ebm-papst Mulfingen GmbH & Co. KG · Bachmühle 2 · D-74673 Mulfingen · Phone +49 (0) 7938 81-0 · Fax +49 (0) 7938 81-110 · info1@de.ebmpapst.com · www.ebmpapst.com