User Manual

Operating instructions
W3G800-DO81-35
Translation of the original operating instructions
3. TECHNICAL DATA
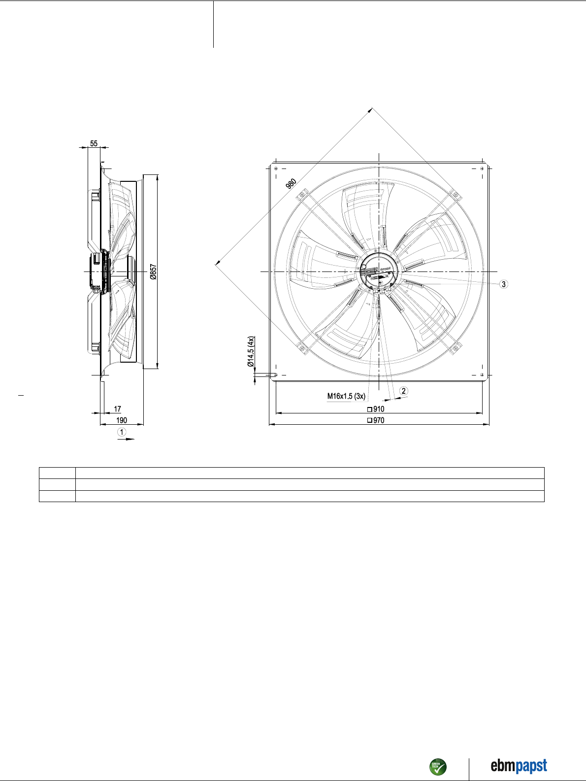
3.1 Product drawing
All measures have the unit mm.
1 Direction of air flow "A"
2 Cable diameter min. 4 mm, max. 10 mm, tightening torque 2.5±0.4 Nm
3 Tightening torque 3.5±0.5 Nm
Item no. 53159-5-9970 · Revision 83042 · Release 2014-07-14 · Page 4 / 12
ebm-papst Mulfingen GmbH & Co. KG · Bachmühle 2 · D-74673 Mulfingen · Phone +49 (0) 7938 81-0 · Fax +49 (0) 7938 81-110 · info1@de.ebmpapst.com · www.ebmpapst.com