Operating Guide

17
PLEASE NOTE: EL22 IS FOR OUTDOOR PERMANENT INSTALLATIONS ONLY AND EL22-I IS FOR INDOOR PERMANENT INSTALLATIONS ONLY. THIS MANUAL
AND ALL ECCOTEMP CONTENT IS SUBJECT TO CHANGE WITHOUT NOTICE. PLEASE VISIT WWW.ECCOTEMP.COM/SUPPORT FOR MORE INFORMATION.
Support: Eccotemp.com/help-desk Shop Online: Eccotemp.com/products Store Locator: Eccotemp.com/locator
Phone: 866-356-1992 | Email: Support@eccotemp.com | Address: 315 - A Industrial RD Summerville, SC 29483
English
Insulation blankets, available to the
general public, for external use on
gas water heaters are not
necessary. The purpose of an
insulation blanket is to reduce the
standby heat loss encountered with
storage tank heaters. This water
heater does not store water making
an insulation blanket unnecessary.
The manufacturer’s warranty does
not cover any damage or defect
caused by installation, attachment
or use of any type of energy saving
or other unapproved devices
(other than those authorized by
the manufacturer) into, onto or in
conjunction with the water heater.
The use of unauthorized energy
saving devices may shorten the
life of the water heater and may
endanger life and property.
The manufacturer disclaims any
responsibility for such loss or injury
resulting from the use of such
unauthorized devices.
WARNING: If
local codes require
external application of
insulation blanket kits
the manufacturer’s
instructions included
with the kit must be
carefully followed.
Insulation Blankets
Hot and Cold Pipe
Insulation Installation
For increased energy eciency,
use pipe insulation. Please install
the insulation, according to the
illustrations above, making sure to
insulate all the way to the top. Do not
cover any drain or pressure valve(s).
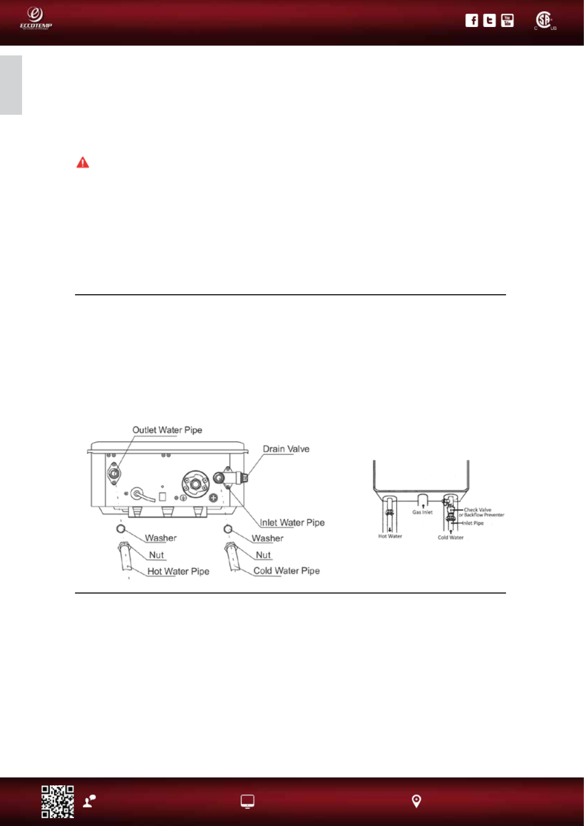
Pipe Installation
Inlet Pipe and Outlet Pipe Installation
Use pressure resistant pipe to connect the inlet and outlet
water pipes of the water heater and the local water pipe
(Make sure to place the rubber ring).Before connecting the
inlet water pipe, ush the inside of the pipe.
NOTICE: The hot and cold pipes
should be insulated as shown help to
provide additional freeze protection
During Installation of this water heater…
Do’s
• DO check inlet gas pressure to ensure that it is within the range specied on the rating plate.
• DO provide adequate air for combustion and ventilation as discussed in the Use & Care Manual and the
National Gas Code (CAN/CGA B 149 in Canada).
• DO maintain proper clearances to combustibles as specied by applicable code.
• DO ensure that the ue terminal location complies with the guidelines found in the Use & Care Manual and
National Fuel Gas Code (CAN/CGA B 149 in Canada).
Dont’s
• DON’T block or restrict Air Intake Opening located on the back side of the water heater.
• DON’T remove the front cover unless absolutely necessary. This should only be done after being examined by a
qualied service technician.
• DON’T install this product where standing water may occur.
EL22