Operating Guide

24
PLEASE NOTE: EL22 IS FOR OUTDOOR PERMANENT INSTALLATIONS ONLY AND EL22-I IS FOR INDOOR PERMANENT INSTALLATIONS ONLY. THIS MANUAL
AND ALL ECCOTEMP CONTENT IS SUBJECT TO CHANGE WITHOUT NOTICE. PLEASE VISIT WWW.ECCOTEMP.COM/SUPPORT FOR MORE INFORMATION.
Phone: 866-356-1992 | Email: Support@eccotemp.com | Address: 315 - A Industrial RD Summerville, SC 29483
English
Support: Eccotemp.com/help-desk Shop Online: Eccotemp.com/products Store Locator: Eccotemp.com/locator
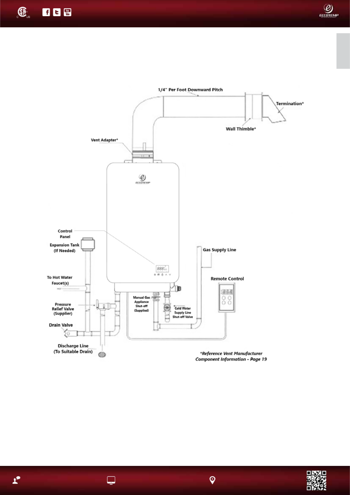
NOTICE: The National Fuel Gas Code (NFGC) mandates a manual gas shut- o valve: See (NFGC)
for complete instructions. Local codes or plumbing authority requirements may vary from the
instructions or diagrams provided and take precedent over these instructions.
Installing the EL22-I water heater.
Typical Installation ( Some Items May Not Apply)
EL22-I