Operating Guide

46
PLEASE NOTE: EL22 IS FOR OUTDOOR PERMANENT INSTALLATIONS ONLY AND EL22-I IS FOR INDOOR PERMANENT INSTALLATIONS ONLY. THIS MANUAL
AND ALL ECCOTEMP CONTENT IS SUBJECT TO CHANGE WITHOUT NOTICE. PLEASE VISIT WWW.ECCOTEMP.COM/SUPPORT FOR MORE INFORMATION.
Phone: 866-356-1992 | Email: Support@eccotemp.com | Address: 315 - A Industrial RD Summerville, SC 29483
English
Support: Eccotemp.com/help-desk Shop Online: Eccotemp.com/products Store Locator: Eccotemp.com/locator
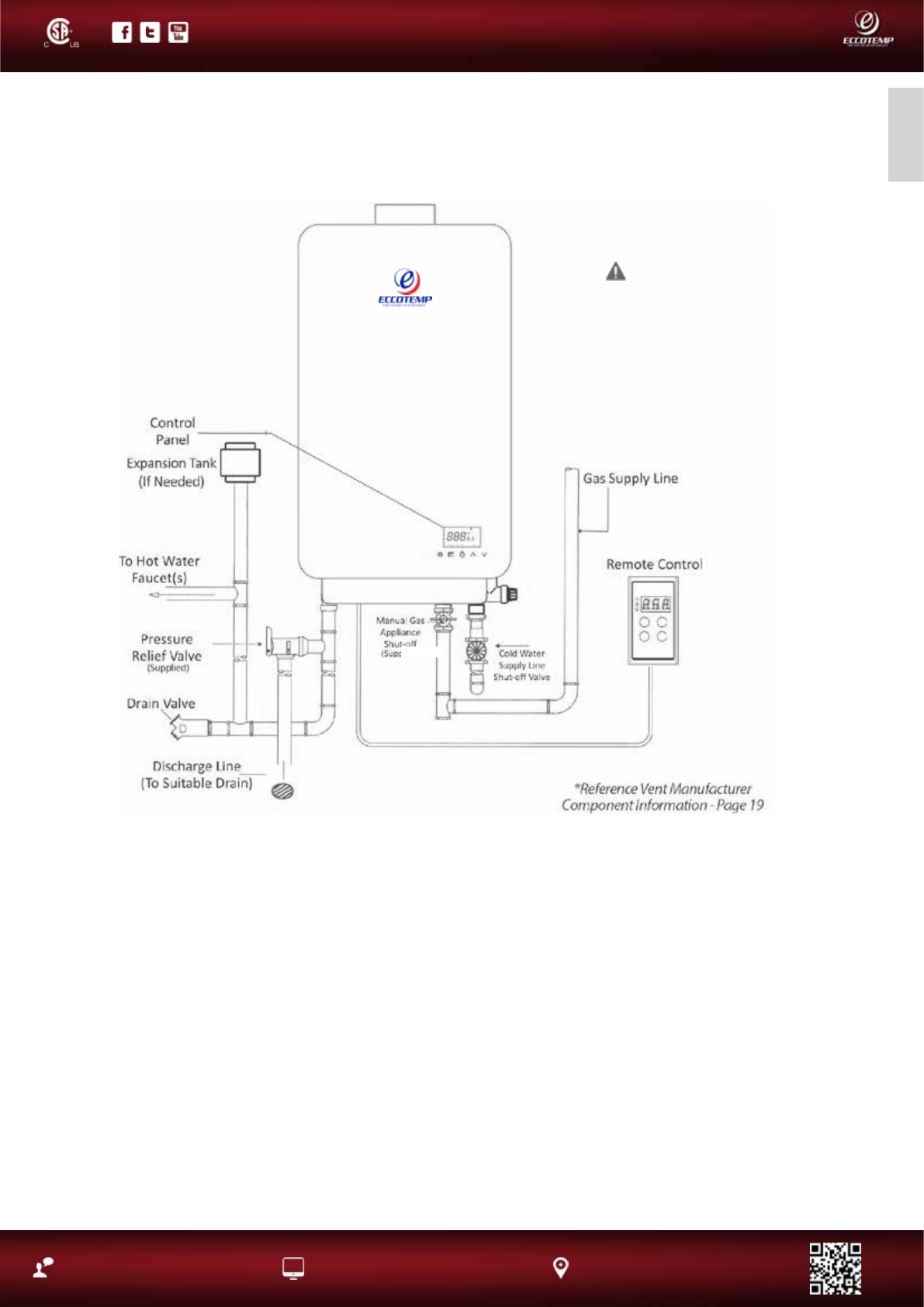
Care and cleaning of the EL22-I water heater.
Draining the Water Heater
Below are instructions for draining water out of the water heater.
1. Turn o the switch on the remote control.
2. Close the gas shut-o valve(s).
3. Close the water shut-o valve.
4. Turn the on/ o switch to the OFF position and disconnect breaker at least 10 seconds after step #1.
5. Open drain valve.
6. Open all hot water faucets. Before proceeding to the next step, make sure that COLD water is coming out of all
hot water faucets.
7. To put the water heater back into operation after draining, follow the steps below.
8. Reinstall the water lter. Close the hot water outlet drain valve.
9. Open the water shut-o valve and close again after making sure that water comes out from hot water faucets.
(This step is to remove air from the water lines.)
10. Reconnect the breaker and turn the on/o switch to the ON position, fully open the gas shut-o valve and the
water shut-o valve.
NOTICE: The water heater may not operate unless the above procedure is followed correctly.
WARNING:
Failure to follow these
instructions while
draining the water
heater can cause
serious damage to
the water heater as
well as personal injury
including scalding.










