Operating Guide

50
PLEASE NOTE: EL22 IS FOR OUTDOOR PERMANENT INSTALLATIONS ONLY AND EL22-I IS FOR INDOOR PERMANENT INSTALLATIONS ONLY. THIS MANUAL
AND ALL ECCOTEMP CONTENT IS SUBJECT TO CHANGE WITHOUT NOTICE. PLEASE VISIT WWW.ECCOTEMP.COM/SUPPORT FOR MORE INFORMATION.
Phone: 866-356-1992 | Email: Support@eccotemp.com | Address: 315 - A Industrial RD Summerville, SC 29483
English
Support: Eccotemp.com/help-desk Shop Online: Eccotemp.com/products Store Locator: Eccotemp.com/locator
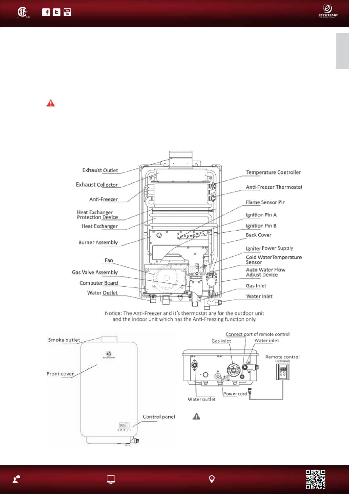
EL22-I Replacement Parts
For models using natural or LP gas.
Instructions for placing a parts order
Address parts orders to the distributor or store from where
the water heater was purchased.
All parts orders should include:
• The model and serial number of the water heater from the
rating plate.
• Specify type of gas (natural or LP) as marked on the rating plate.
• Part description (as noted below) and number of parts desired.
WARNING: For your safety,
DO NOT attempt to disassemble
this unit for any reason
CAUTION: For your safety, DO NOT
attempt repair of electrical wiring, gas
piping, burners, or other safety devices.
Refer repairs to qualied service personnel.










