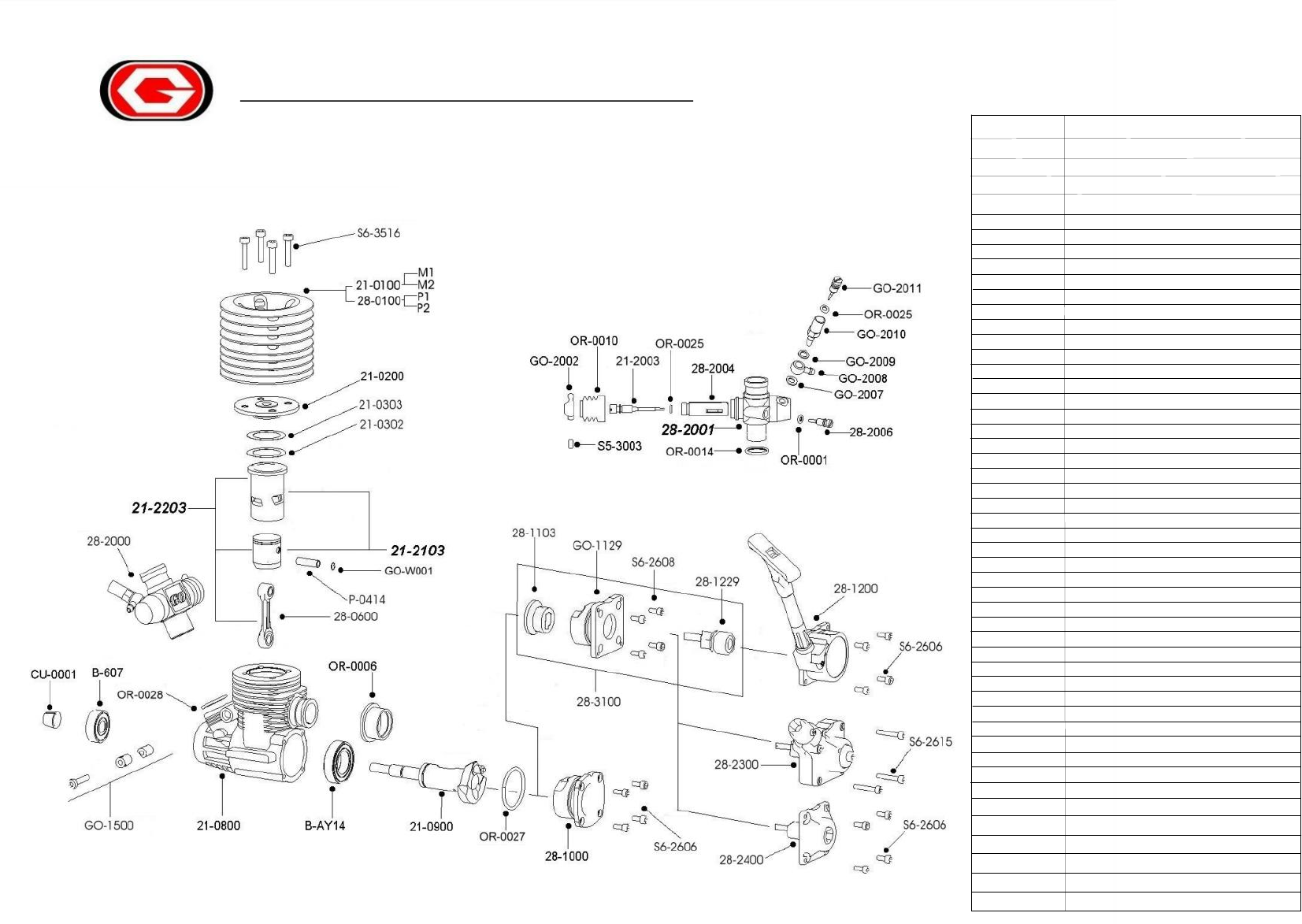
User Manual

I T E M N O
G O -W 00 1
D E S C R I P T I O N
2 1 -0 2 00
2 1 -0 3 02
P -0 414
2 1 -2 1 03
2 8 -0 6 00
2 1 -2 2 03
2 1 -0 8 00
C U -0 0 0 1
B -60 7
B -A Y 1 4
2 1 -09 0 0
2 8 -10 0 0
2 8 -20 0 0
2 8 -20 0 1
G O -15 00
G O -20 11
G O -20 10
G O -20 09
G O -20 08
G O -20 07
2 8 -20 0 6
2 8 -20 0 4
2 1 -20 0 3
G O -20 02
O R -0 0 0 1
S 6 -35 1 6
S 6 -26 0 6
S 5 -30 0 3
S c re w M 3 .5 x 1 6 4 p c s
S c re w M 2 .6 x 6 4 p c s
"O " R in g 2 x1 .8
T h ro ttle S c rew C a p
T h ro ttle N e e d le (S lid e )
T h ro ttle (S lid e )
T h ro ttle S to p A d ju s tm e n t S c rew
Fue l Supp ly W asher Alum inum 7.5x5
F u e l S u p p ly N ip p le
F u e l S u p p ly W a s he r 7 .5 x 4
M a in N e e d le S e a t
M a in N e e d le
C a rbu reto r C o m p lete ly S e t (S lid e )
R e a r C o v e r F o r 2 1 .25 .2 8
C ra nk s h a ft 1 4 m m 8.4 (S G )
R e a r B e a ring 14 m m
F ront B e a ring 7 m m
B ras s C on e
C ra nk c a s e F o r 2 1
2 1 C ylin d e r C o m p le tely S e t 3p
C o n n e c tin g R o d F o r 21 .2 5 .2 8
2 1 C ylin d e r S le e v e P is to n 3p
"G " P in g S n a p R in g 2p c s /s e t
P is to n G u d g e o n P in 4x1 3 .8 5
B u rn R o o m W as h e r (0.2m m )
2 1 -01 0 0 -M 2
2 1 -01 0 0 -M 1
O R -0 0 1 0
O R -0 0 0 6
R u b b e r A d ap to r F o r M a n ifo ld s
2 8 -11 0 3
"T " S ta rt A x le F o r 21 .2 5 .2 8
G O -11 29
2 8 -12 2 9
S ta rt A x le Lo n g
2 8 -12 0 0
P u ll S tart C o m p le te ly S e t
S 6 -26 0 8
S c re w M 2 .6 x 8 4 p cs
O R -0 0 1 4
"O " R in g 1 0x 1 .3
C y lin de r H e ad M O L D B lu e
C y lin de r H e ad M O L D B la ck
B u rn R o o m F o r 2 1
C a rbu reto r M a in B o d y (S lid e )
"T " A x le C o n n e c tiv e S e a t F o r 2 1 .2 5 .2 8
C a rbu reto r S e tting P in
T h ro ttle B o o t F o r 2 1 .2 5 .2 8
S c re w M 3 x3
2 8 -23 0 0
S id e T ra n s m is sio n S e t
2 8 -24 0 0
D ire c t T ra n sm issio n S e t
2 1 -03 0 3
B u rn R o o m W as h e r (0.3m m )
S 6 -26 1 5
S c re w M 2 .6 x 1 5 3 p c s
O R -0 0 2 5
"O " R in g 2 .9 x 1 .7 8
2 8 -01 0 0 -P 2
C y lin de r H e ad C N C B la ck
2 8 -01 0 0 -P 1
C y lin de r H e ad C N C B lu e
O R -0 0 2 7
"O " R in g A s 01 8
O R -0 0 2 8
"O " R in g 1 5 .2x1 .5
2 8 -31 0 0
"T " S ta rt A x le S e t 21 .2 5 .2 8
GO ENGINE CO.,LTD.
21R EXPLODED VIEW&PARTS LIST