Installation Instructions
Manuals
Brands
Electrolux Manuals
Range
Electrolux 30'' Gas Built-In Range with Wave-Touch Controls EW30GS65GS
31
32
33
34
35
36
37
38
39
40
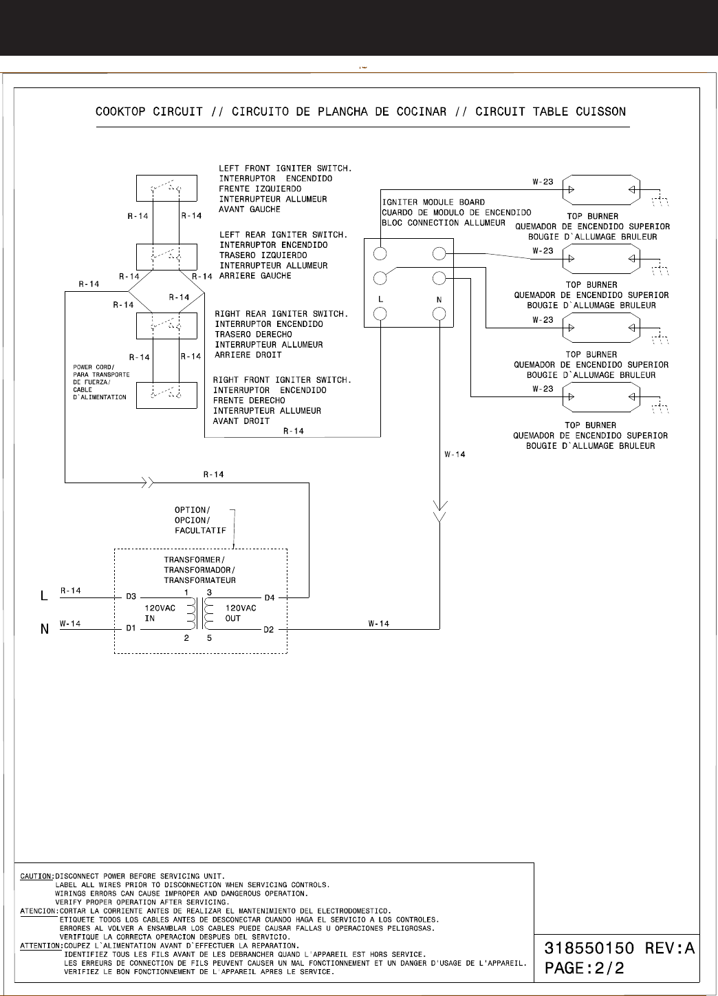
WIRING DIAGRAM - DIAGRAMA DE LA INST
ALACIÓN ALÁMBRICA - SCHÉMA DE CÂBLAGE
1
...
...
38
39
40