Specification

GENERAL
Two-level wall mounted drinking fountain constructed of #18
gauge, type 304, stainless steel polished to a lustrous satin finish.
Contoured basin minimizes splashing and has exclusive Flexi-
Guard
®
safety bubbler to prevent accidental mouth injuries.
Keyed in location to prevent rotation. Easy to operate, fully
functional push-buttons are vandal-resistant. Vandal-resistant
bottom cover plates included. Flow regulator provides constant
stream from 20 to 105 psi water pressure.
THIS DRINKING FOUNTAIN COMPLIES WITH THE
REQUIREMENTS OF A.D.A. (AMERICANS WITH DIS-
ABILITIES ACT) WHEN PROPERLY INSTALLED. UNIT IS
COMPLIANT IF INSTALLED IN AN ALCOVE AND IS ALSO
COMPLIANT WHEN MOUNTED ON AN EXPOSED WALL IF
A WING WALL IS LOCATED ON THE LEFT SIDE OR IF A
97258C APRON IS INSTALLED UNDER THE UPPER UNIT.
NO LE
AD DESIGN
THIS DRINKING FOUNTAIN COMPLIES WITH THE LEAD-
FREE DEFINITION IN THE SAFE DRINKING WATER ACT OF
1986 AND LEAD CONTAMINATION CONTROL ACT OF
1988.
Elkay Drinking Fountains are manufactured with a waterway
system utilizing copper components and completely lead-free
material. These waterways have no lead because all leaded
materials, such as leaded brass, have been removed.
This fountain is certified by WQA to lead-free compliance including
NSF/ANSI 61 and 372.
CONSTRUCTION
EDFP217C furnished complete with Flexi-Guard
®
, fully
assembled front push-buttons, flow regulator (20 to 105 psi),
and drain, trap assemblies and vandal-resistant bottom cover
plates.
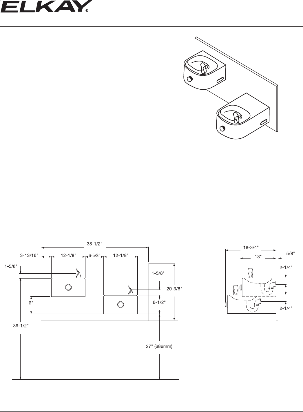
Model EDFP217C Shown
ALSO AVAILABLE
Model EDFPVR217C: Includes vandal-resistant bubblers.
Heavy-duty, one-piece construction, chrome plated
brass.
Model EDFP217FC: Plumbed for use with glass filler. Long
fountain arm only. LK1110 or LK1114 sold separate.
Model EDFP217FPK: Freeze-resistant model with boxes (see
separate specification sheet).
ACCESSORIES
MP20 Surface mounting plate.
MPW200 In-wall carrier mounting plate.
ML100 Support columns for MPW200.
(978mm)
(168mm)
(308mm) (308mm)
(165mm)
(152mm)
(41mm)
(97mm)
(42mm)
(1003mm)
ADA REQUIREMENT
FINISHED FLOOR
(476mm)
(330mm)
(16mm)
(57mm)
(57mm)
(518mm)
No Lead Two-Level Drinking Fountain Soft Sides
®
Wall Mount-Fully Exposed with Wall Plate
Barrier-Free Access Model EDFP217C
S P E C I F I C AT I O N S
Elkay
2222 Camden Court
Oak Brook, IL 60523
Printed in U.S.A.
©2012 Elkay
(Rev. 9/12) 14-27G
elkayusa.com
In keeping with our policy of continuing product improvement, Elkay reserves the right to change
product specifications without notice. Please visit elkayusa.com for most current version of the
This specification describes an Elkay product with design, quality and functional benefits to the
user. When making a comparison of other producers’ offerings, be certai
n these features are not
overlooked.product specification sheet.