Manual

Table Of Contents
Bassoon Installation Guide Installation
MAN-BASIG (Ver. 1.502)
www.elmomc.com
42
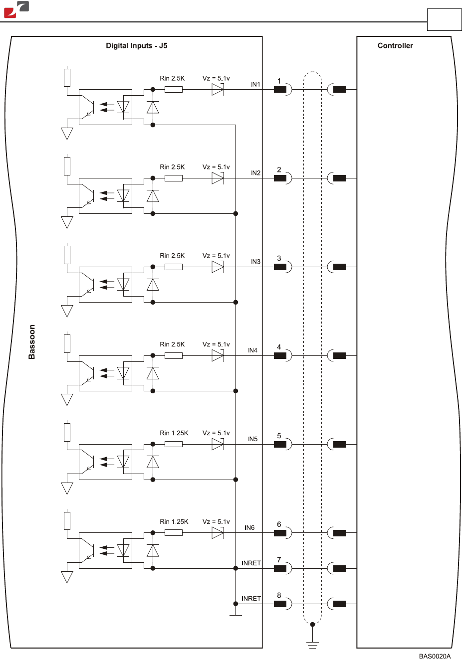
Figure 26: Digital Input Connection Diagram