Instruction Manual
Table Of Contents
- Chapter 1: Safety Information
- Chapter 2: Product Description
- 2.1. Functional Description
- 2.2. Product Features
- 2.2.1. High Power Density
- 2.2.2. Supply Input
- 2.2.3. Servo Control
- 2.2.4. Advanced Filters and Gain Scheduling
- 2.2.5. Motion Control
- 2.2.6. Fully Programmable
- 2.2.7. Feedback Ports Options
- 2.2.8. Feedback Sensor Specifications
- 2.2.9. Communications
- 2.2.10. Safety
- 2.2.11. Outputs
- 2.2.12. Inputs
- 2.2.13. Built-In Protection
- 2.2.14. Status Indication
- 2.2.15. Automatic Procedures
- 2.3. System Architecture
- 2.4. How to Use this Guide
- Chapter 3: Technical Information
- Chapter 4: Installation
- 4.1. Site Requirements
- 4.2. Unpacking the Drive Components
- 4.3. Connectors
- 4.4. Mounting the Gold Hawk
- 4.5. Integrating the Gold Hawk on a PCB
- 4.6. The Gold Hawk Connection Diagram
- 4.7. Main Power, Auxiliary Power and Motor Power
- 4.8. STO (Safe Torque Off) Inputs
- 4.9. Feedback
- 4.10. User I/Os
- 4.11. Communications
- 4.12. Powering Up
- 4.13. Initializing the System
- 4.14. Heat Dissipation
- Chapter 5: Technical Specifications
- Chapter 6: Gold Line Standards

Gold Hawk Installation Guide Installation
MAN-G-HAKIG (Ver. 1.001)
www.elmomc.com
31
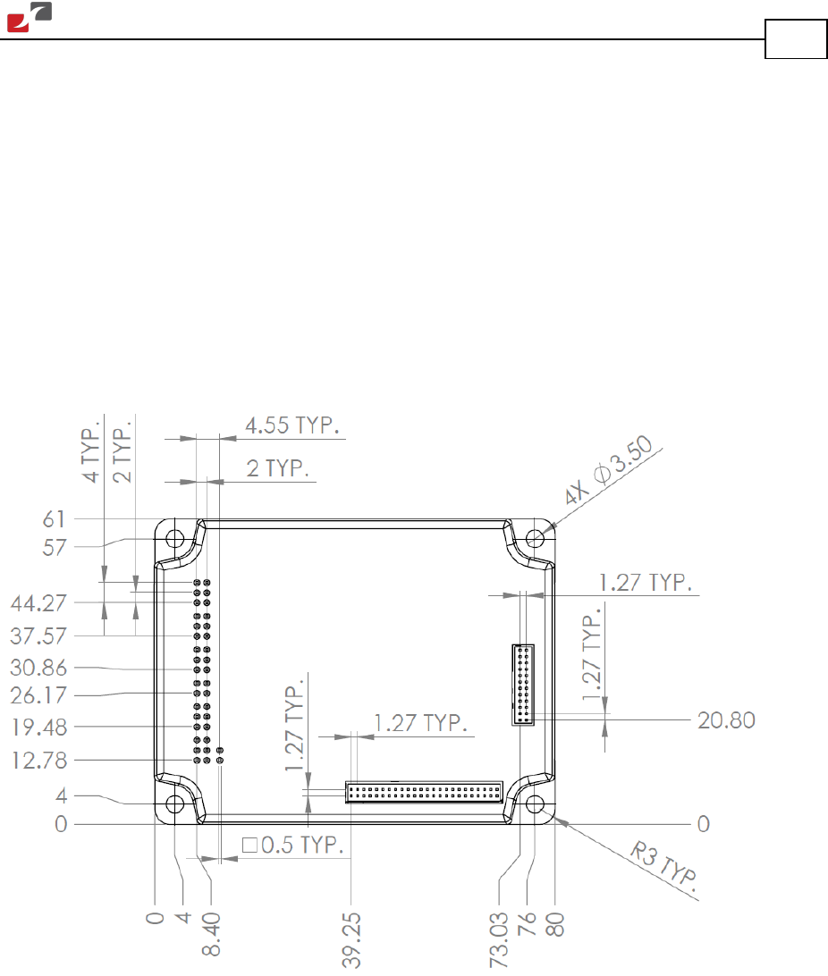
4.4. Mounting the Gold Hawk
The Gold Hawk was designed for mounting on a printed circuit board (PCB) via 1.27 mm pitch
0.41 mm square pins and 2 mm pitch 0.51 mm square pins. When integrating the Gold Hawk
into a device, be sure to leave about 1 cm (0.4") outward from the heat-sink to enable free air
convection around the drive. We recommend that the Gold Hawk be soldered directly to the
board. Alternatively, though this is not recommended, the Gold Hawk can be attached to
socket connectors mounted on the PCB. If the PCB is enclosed in a metal chassis, we
recommend that the Gold Hawk be screw-mounted to it as well to help with heat dissipation.
The Gold Hawk has screw-mount holes on each corner of the heat-sink for this purpose – see
below.
All measurements are in mm
Figure 2: Gold Hawk Dimensions
When the Gold Hawk is not connected to a metal chassis, the application’s thermal profile may
require a solution for heat dissipation due to insufficient air convection. In this case, we
recommend that you connect an external heat-sink. Elmo has an external heat-sink (Catalog
number: WHI-HEAT-SINK-2) that can be ordered for this purpose, see Figure 3 below.