Instruction Manual
Table Of Contents
- Chapter 1: Safety Information
- Chapter 2: Product Description
- 2.1. Functional Description
- 2.2. Product Features
- 2.2.1. High Power Density
- 2.2.2. Supply Input
- 2.2.3. Servo Control
- 2.2.4. Advanced Filters and Gain Scheduling
- 2.2.5. Motion Control
- 2.2.6. Fully Programmable
- 2.2.7. Feedback Ports Options
- 2.2.8. Feedback Sensor Specifications
- 2.2.9. Communications
- 2.2.10. Safety
- 2.2.11. Outputs
- 2.2.12. Inputs
- 2.2.13. Built-In Protection
- 2.2.14. Status Indication
- 2.2.15. Automatic Procedures
- 2.3. System Architecture
- 2.4. How to Use this Guide
- Chapter 3: Technical Information
- Chapter 4: Installation
- 4.1. Site Requirements
- 4.2. Unpacking the Drive Components
- 4.3. Connectors
- 4.4. Mounting the Gold Hawk
- 4.5. Integrating the Gold Hawk on a PCB
- 4.6. The Gold Hawk Connection Diagram
- 4.7. Main Power, Auxiliary Power and Motor Power
- 4.8. STO (Safe Torque Off) Inputs
- 4.9. Feedback
- 4.10. User I/Os
- 4.11. Communications
- 4.12. Powering Up
- 4.13. Initializing the System
- 4.14. Heat Dissipation
- Chapter 5: Technical Specifications
- Chapter 6: Gold Line Standards

Gold Hawk Installation Guide Installation
MAN-G-HAKIG (Ver. 1.001)
www.elmomc.com
40
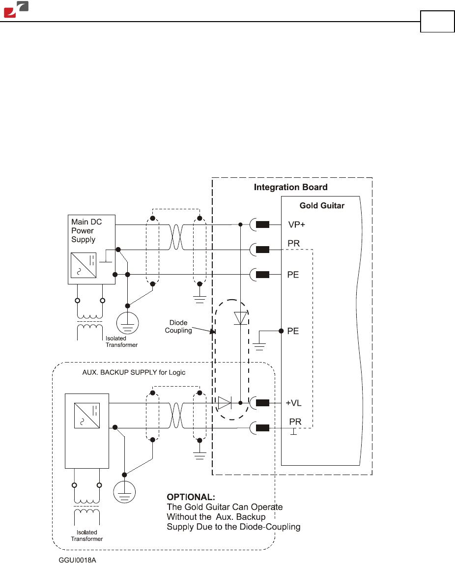
4.7.6. Shared Supply
A Main DC Power Supply can be designed to supply power to the drive’s logic as well as to the
Main Power (see Figure 10 and the upper portion of Figure 12). If backup functionality is
required for continuous operation of the drive’s logic in the event of a main power-out, a
backup supply can be connected by implementing “diode coupling” (see the Aux. Backup
Supply in Figure 12).
Figure 12: Shared Supply Connection Diagram