Instruction Manual
Table Of Contents
- Chapter 1: Safety Information
- Chapter 2: Product Description
- 2.1. Functional Description
- 2.2. Product Features
- 2.2.1. High Power Density
- 2.2.2. Supply Input
- 2.2.3. Servo Control
- 2.2.4. Advanced Filters and Gain Scheduling
- 2.2.5. Motion Control
- 2.2.6. Fully Programmable
- 2.2.7. Feedback Ports Options
- 2.2.8. Feedback Sensor Specifications
- 2.2.9. Communications
- 2.2.10. Safety
- 2.2.11. Outputs
- 2.2.12. Inputs
- 2.2.13. Built-In Protection
- 2.2.14. Status Indication
- 2.2.15. Automatic Procedures
- 2.3. System Architecture
- 2.4. How to Use this Guide
- Chapter 3: Technical Information
- Chapter 4: Installation
- 4.1. Site Requirements
- 4.2. Unpacking the Drive Components
- 4.3. Connectors
- 4.4. Mounting the Gold Hawk
- 4.5. Integrating the Gold Hawk on a PCB
- 4.6. The Gold Hawk Connection Diagram
- 4.7. Main Power, Auxiliary Power and Motor Power
- 4.8. STO (Safe Torque Off) Inputs
- 4.9. Feedback
- 4.10. User I/Os
- 4.11. Communications
- 4.12. Powering Up
- 4.13. Initializing the System
- 4.14. Heat Dissipation
- Chapter 5: Technical Specifications
- Chapter 6: Gold Line Standards

Gold Hawk Installation Guide Installation
MAN-G-HAKIG (Ver. 1.001)
www.elmomc.com
60
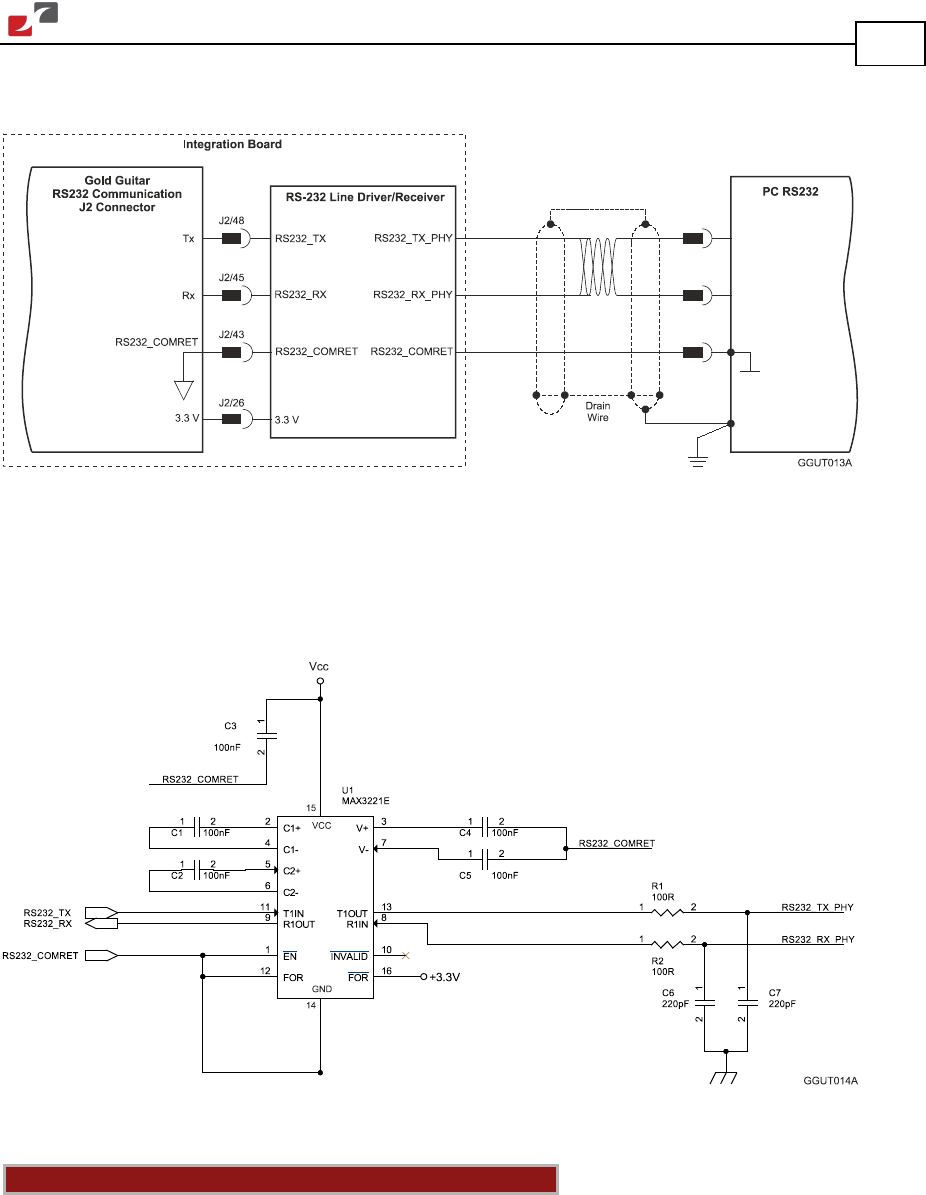
Figure 29 describes the RS-232 connection diagram:
Figure 29: RS-232 Connection Diagram
Note that Elmo does not recommend a specific manufacturer. The following is an example of
an RS-232 Line Driver/Receiver. The RS-232 Line Driver/Receiver operates with 3.3 V to 5 V VCC
Supply.
Figure 30: RS-232 – Translator Block Diagram
Notes for connecting the RS-232 communication cable:
• Connect the shield to the ground of the host (PC). Usually, this connection is soldered
internally inside the connector at the PC end. You can use the drain wire to facilitate
connection.
• The RS-232 communication port is non-isolated.
Ensure that the shield of the cable is connected to the shield of the connector used for RS-232
communications. The drain wire can be used to facilitate the connection.