Manual

Table Of Contents
Gold Tuba Installation Guide
MAN-G-TUBIG-EC (Ver. 1.201)
|www.elmomc.com
17
Table of Contents
Chapter 6:
Gold Tuba Connection Diagrams
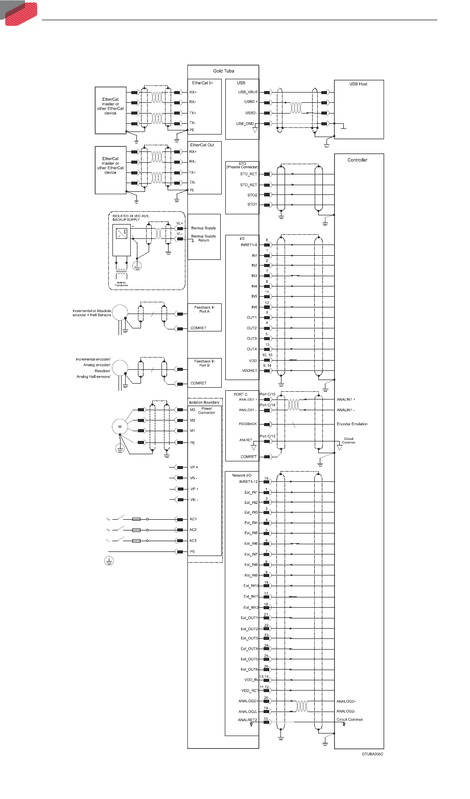
Figure 2: Gold Tuba Connection Diagram for EtherCAT