Manual

Table Of Contents
Gold Tuba Installation Guide
MAN-G-TUBIG-EC (Ver. 1.201)
|www.elmomc.com
18
Table of Contents
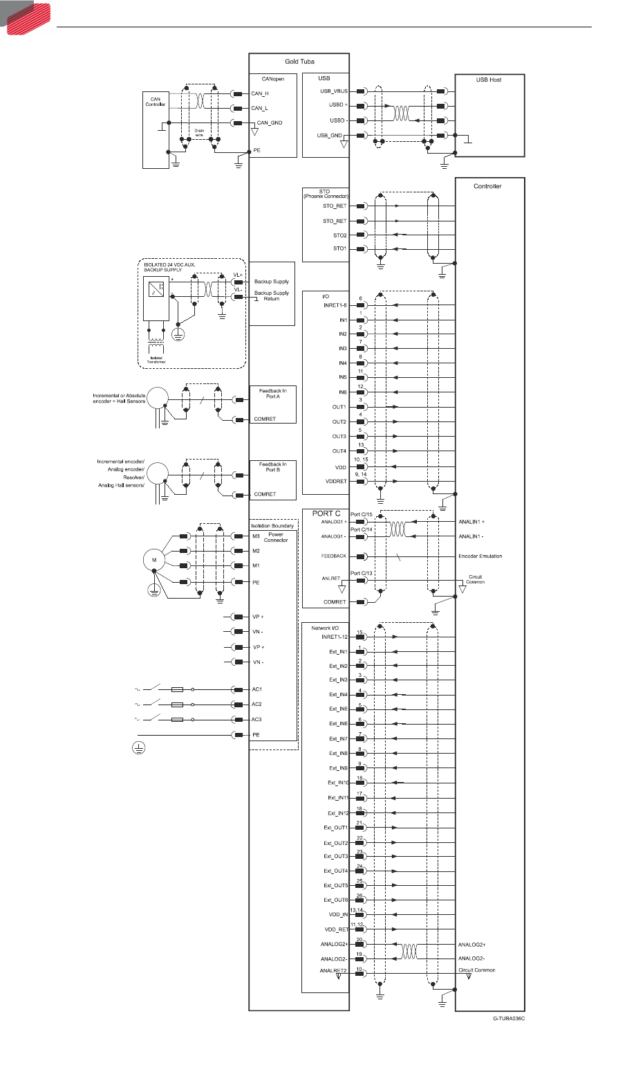
Figure 3: Gold Tuba Connection Diagram for CAN