Manual

Table Of Contents
Gold Tuba Installation Guide
MAN-G-TUBIG-EC (Ver. 1.201)
|www.elmomc.com
57
Table of Contents
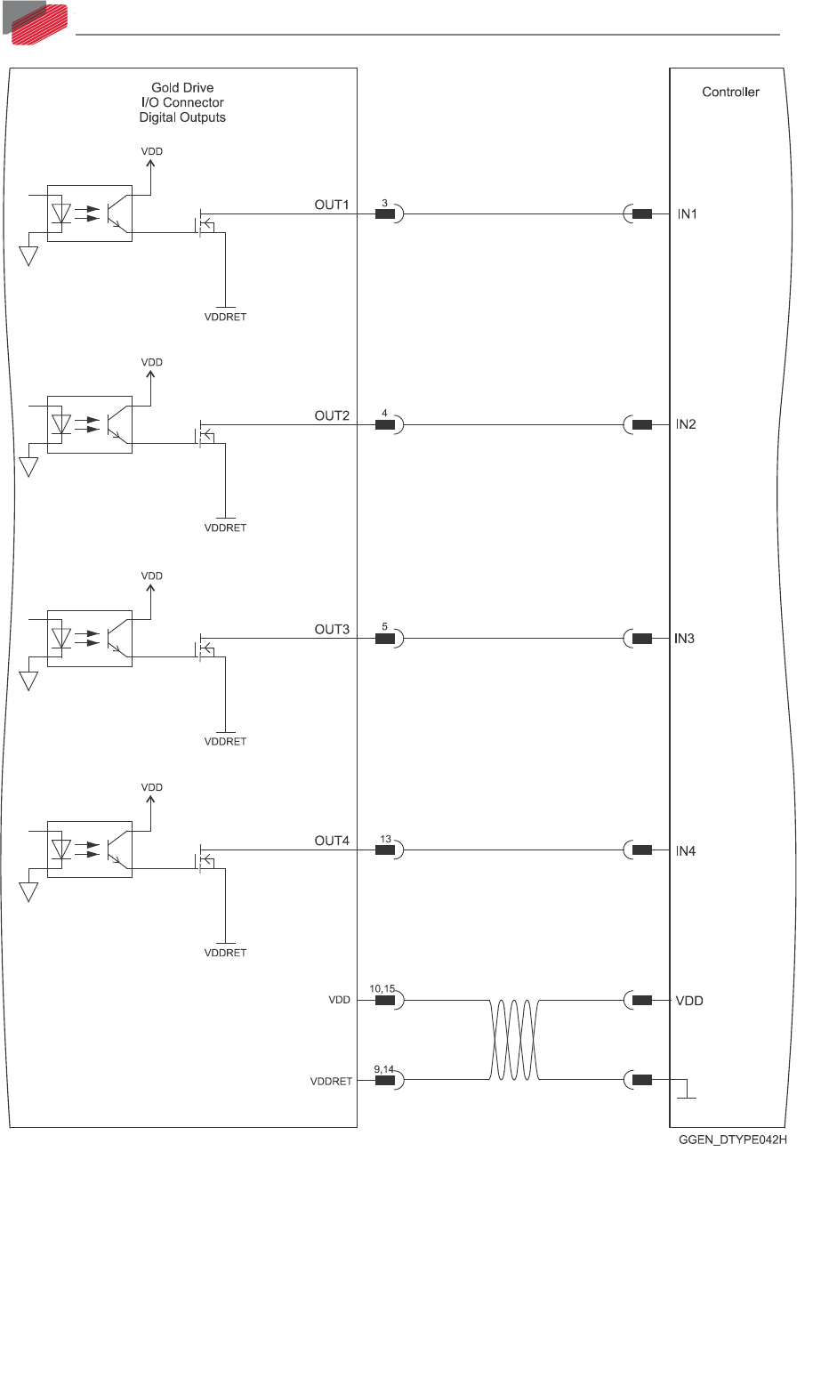
Figure 33: Digital Output as Sink Configuration D-Type Connection Diagram