Manual

Table Of Contents
Gold Tuba Installation Guide
MAN-G-TUBIG-EC (Ver. 1.201)
|www.elmomc.com
65
Table of Contents
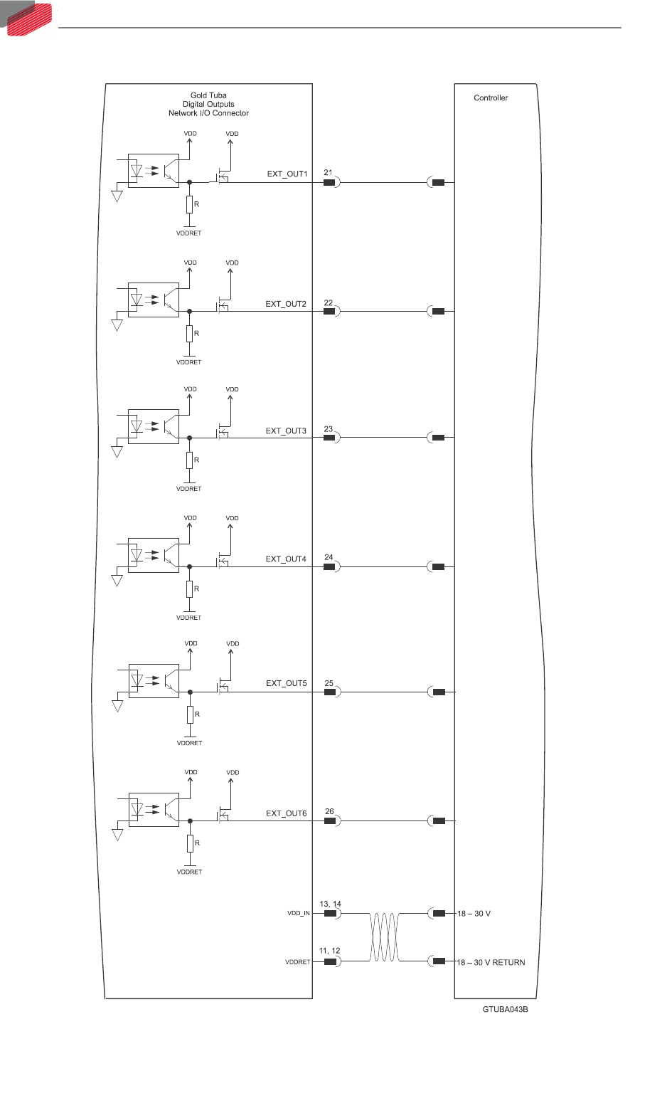
7.11.2. Digital Output
Figure 38: Network I/O Digital Output Connection Diagram PLC Option, for G-TUBXX/YYYXXSEX