- Emerson Electric Co. Automobile Parts User Manual
Table Of Contents

Data sheet
Sheet No.:
Date: November 2009
Copyright © Emerson Process Management. The information in this document is subject to change without notice.
Updated data sheets can be obtained from our website www.El-O-Matic.com or from your nearest Valve Automation Center USA: +1 813 319 0266 Europe: +31 74 256 10 10 Asia-Pacific: +65 6501 4600
www.El-O-matic.com
TM
A1.203.011 Rev. A
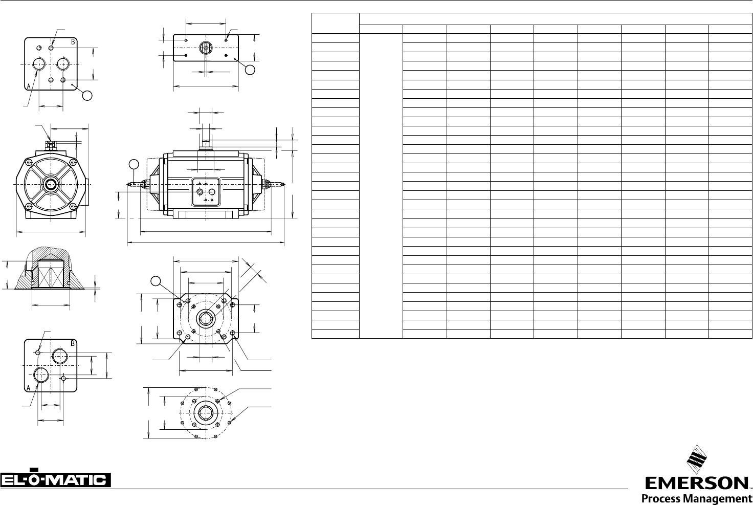
DIMENSION SHEET STANDARD 180° ACTUATOR 180°
Dim.
in mm.
ACTUATOR TYPE
E12 P60 P150 P280 P500 P750 P1100 P2500 P4000
A DA
For E12 dimensions see A1.103.102
9.17 11.61 13.94 16.30 17.60 19.76 24.92 29.61
B SR
10.08 13.07 17.09 19.57 21.77 25.24 32.17 42.95
C
3.98 5.31 6.30 7.48 9.21 9.72 14.02 14.96
D
0.79 0.79 0.79 1.18 1.18 1.18 1.18 1.18
E1
0.63 0.87 1.02 1.42 1.42 1.77 2.17 2.52
E2
0.91 1.18 1.38 1.77 1.77 2.17 2.56 3.15
F
0.39 0.55 0.55 0.75 0.75 1.18 1.42 1.42
G
0.47 0.47 0.47 0.75 0.75 0.39 0.39 0.39
H
3.98 5.43 6.61 7.56 9.41 9.84 13.54 14.65
I
2.28 2.95 3.50 4.29 5.28 5.31 7.20 7.87
J
1.69 2.09 2.72 3.74 4.57 4.92 7.01 7.48
K
1.10 1.50 1.89 2.20 2.20 2.95 3.35 4.72
M1
1.06 1.06 1.22 1.50 1.50 2.01 2.60 3.03
N
0.04 0.04 0.06 0.06 0.08 0.10 0.12 0.06
O max.
0.556 0.674 0.871 1.068 1.068 1.424 1.817 2.173
O min.
0.551 0.669 0.866 1.063 1.063 1.417 1.811 2.165
P
0.713 0.992 1.110 1.425 1.425 1.898 2.370 2.843
R
2.36 3.15 3.98 4.37 5.51 5.51 6.69 6.69
R1
2.01 2.36 2.80 3.19 3.94 4.72 6.30 6.30
R2
2.76 3.94 - - - - - 10.31
S
4.37 5.12 5.55 6.34 8.27 8.27 11.42 11.42
S1
4.37 5.12 5.55 5.55 6.30 8.27 9.65 9.65
T
- - - - - - 9.24 -
T1
3.15 3.15 3.15 5.12 5.12 5.12 5.12 5.12
U
- - - - - - 3.83 -
U1
1.18 1.18 1.18 1.18 1.18 1.18 1.18 1.18
F05 F07 F07 F10 F10 F14 F16 F16
V
1.969 2.756 2.756 4.016 4.016 5.512 6.496 6.496
W
M6 x .35 M8 x .51 M8 x .51 M10 x .63 M10 x .63 M16 x .79 M20 x1.18 M20 x1.18
F07 F10 F10 F12 F12 - - F25
V1
2.756 4.016 4.016 4.921 4.921 - - 10.000
W1
M8 x .51 M10 x .63 M10 x .63 M12 x .63 M12 x .63 - - M16 x 0.98
W2
- - - - - - M16 x 0.98 -
Note
1. Flange to ISO 5211, square drive to DIN 3337
2. Top and Solenoid flange to VDI/VDE 3845 (NAMUR).
P1100 P2500 and P4000 have a non-NAMUR solenoid flange with 1/2" entries.
3. 180° actuators are standard equipped with "L1" limit stops. 120° or 135° rotation
is possible with optional LF-option (See data sheet A1.503.01)
P60 - P750
0.94
1.26
M5x.31
G1/4"
I
M6x.47
4
H
K
M1
N
±0.02
øV1
4xW
øV
8xW1
W1
øP
+0.02
0
W
W2
T
O
R
R2
S
øV
øV1
U
B
A
0.16
U1
T1
R1
S1
M5x.31
E1
F
E2
J
GD
C
2
2
3
P1100 - P4000 P4000
M5x.31
1.00
1.37
1.00
G1/2"
1.37
1










