Air Compressor User Manual
Manuals
Brands
Emerson Manuals
Air Compressor
400 VMC
151
152
153
154
155
156
157
158
159
160
February 2001
VILTER MANUFACTURING CORPORATIO
N
SECTION 100-R
Replaces
PAGE 9
May 1985
450XL
®
* VMC COMPRESSORS
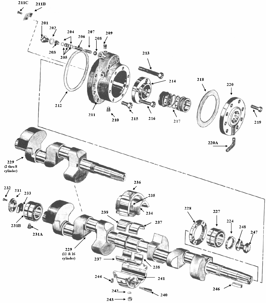
CRANKSHAFT AND FRONT BEARING COVER REPLA
CEMENT PARTS
FIGURE 5
PATENTS PENDING
1
...
...
154
155
156
157
158
...
...
234