Air Compressor User Manual

Optional Constructions
Pressure Elements
Regularly supplied for non-
corrosive refrigerants (fluorinated
hydrocarbons). Available for
ammonia service with 1/4 in. -
18 FNPT connector (See Style
Chart, Fig. 2.)
Pressure Connectors
Standard controls supplied with 36
in. capillary tubing with 1/4 in. flare
nut (Style 13). Controls with 1/4
in. SAE male flare connector (no
capillary tubing, Style 5),
36 in. capillary tubing with 1/4 in.
sweat section (Style 34), or 1/4 in.
FNPT connector (Style 15) may
be supplied on quantity orders
(see Pressure Element Styles).
2. Complete Product Number, if
available.
3. If complete Product Number
is not available, specify Type
Number (see Specifications
table) and the following.
Repairs and Replacement
Field repairs must not be made.
For a replacement control, contact
the nearest Johnson Controls
distributor.
4. Type of refrigerant or fluid.
a. Non-corrosive.
b. Ammonia.
Ordering Information
5. Style of pressure connector.
6. Optional constructions.
To order, specify:
7. Setting -- contacts close at
____ and open at ____.
1. Quantity required.
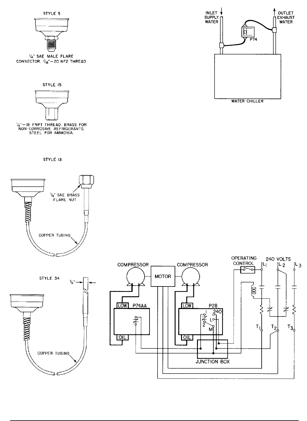
Fig. 2: Pressure element styles
available on the P74. Style 13 is
standard. Other styles shown above
can be supplied on quantity orders.
Fig. 4: Typical wiring diagram showing the P74AA and a P28
on a motor operating two compressors.
Fig. 3: Typical proof of flow hookup.
P74 Product Bulletin 3










