Instruction Manual

Instruction Manual
D200126X012
2502 Controllers
February 2015
22
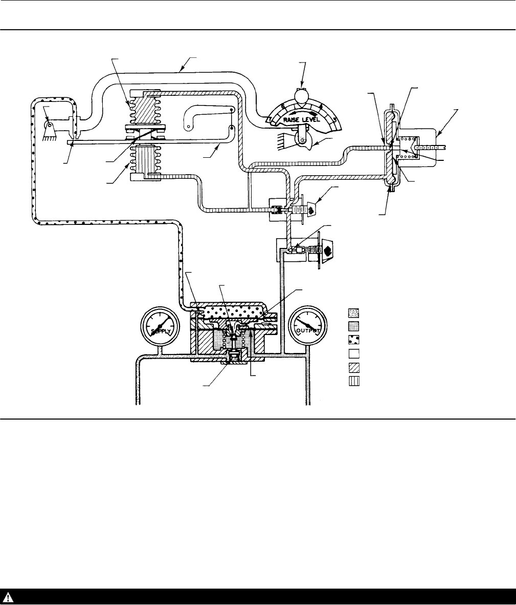
Figure 11. Fisher 2502F Controller with Differential Relief Valve
CJ4081‐A
CU7387‐B
C0311‐2
PROPORTIONAL PRESSURE
SUPPLY PRESSURE
OUTPUT PRESSURE
NOZZLE PRESSURE
RESET PRESSURE
EXHAUST
PROPORTIONAL
BELLOWS
FIXED
PIVOT
MOVABLE
ARM
PIVOTING
CROSS
SPRINGS
LEVEL SET
ADJUSTMENT
RESET VALVE
PROPORTIONAL
VALVE
LARGE DIAPHRAGM
OF ASSEMBLY
RESET
BELLOWS
INNER CHAMBER
BEAM AND
FLAPPER
SMALL
DIAPHRAGM
OF ASSEMBLY
INLET END
OF RELAY VALVE
OUTER
CHAMBER
FIXED RESTRICTION
EXHAUST END
OF RELAY VALVE
DIAPHRAGM
ASSEMBLY
RESTRICTION
RELIEF VALVE
DIFFERENTIAL
RELIEF VALVE
CAM
NOZZLE
RELIEF
DIAPHRAGM
A sudden increase in the output pressure will cause a rapid pressure increase in the proportional bellows and in the
outer relief valve chamber. If the outer chamber pressure exceeds that in the inner relief valve chamber by the amount
of the relief pressure setting, the relief diaphragm will move off the orifice in the relief valve, and the pressure in the
outer chamber will bleed into the reset system. This action provides quick relief of excessive proportional pressure and
reduces the time required by the system to return to the control point.
Maintenance
2502 controllers are used in combination with 249 sensors.
WARNING
Always wear protective eyewear, gloves and clothing whenever possible when performing maintenance to avoid personal
injury.
Personal injury or property damage due to sudden release of pressure, contact with hazardous liquid, fire, or explosion can
be caused by puncturing, heating, or repairing a displacer that is retaining process pressure or liquid. This danger may not